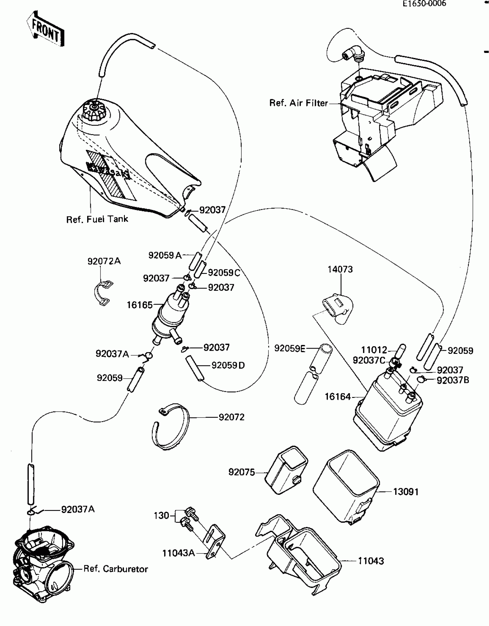
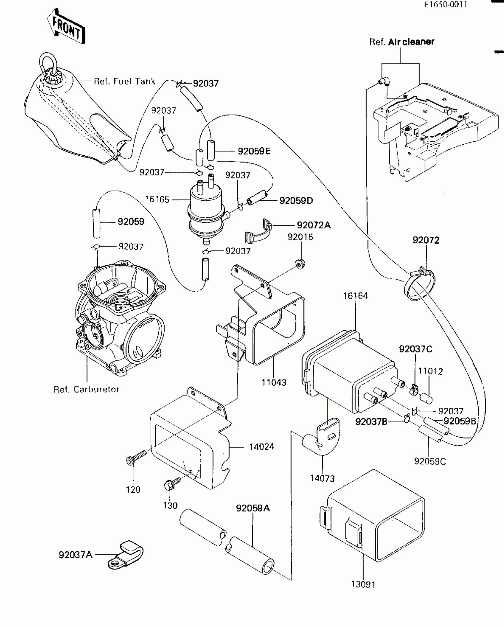
Kawasaki KL600 CANISTER Diagram
#
Description
Price
11043
BRACKET,CANISTER
11043-1709
Unavailable
11043A
BRACKET
11043-1710
Unavailable
92059C
TUBE,5X8X1100,BLUE
92059-1442
Unavailable
92059D
TUBE,5X8X340
92059-1469
Unavailable
