- Partiron
- OEM Parts
- Polaris
- Motorcycle
- VIC
- 2004
- KINGPIN ALL OPTIONS - V04CB16
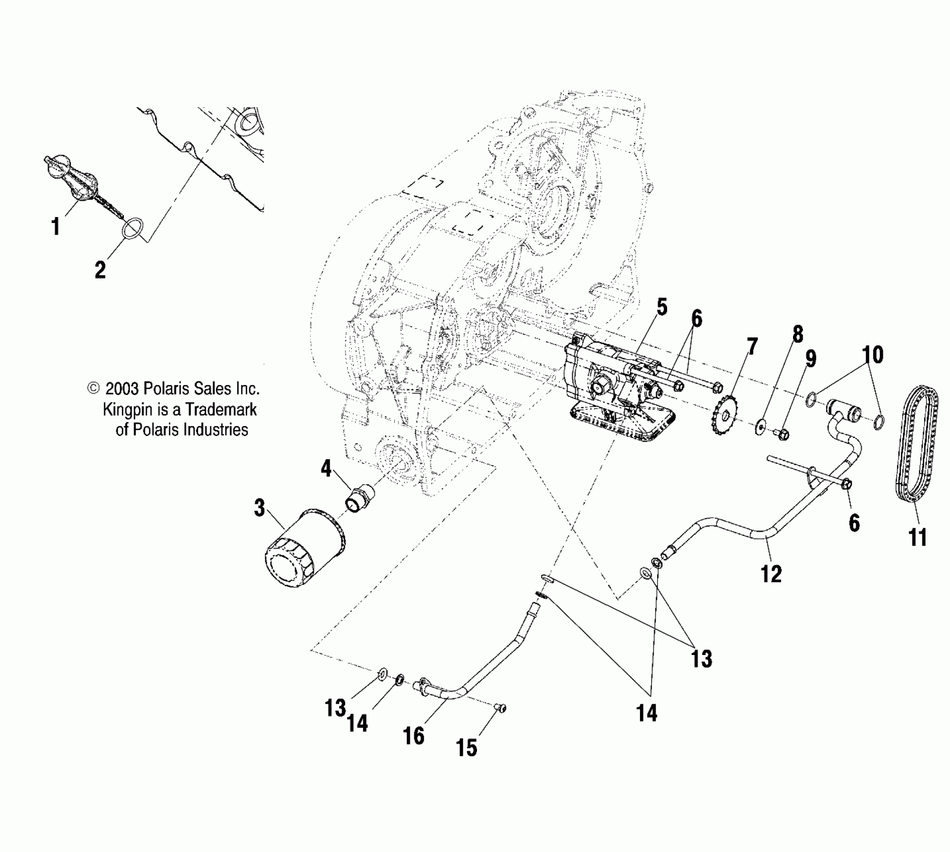
ENGINE, OIL PUMP MOUNTING - V04CB16/ALL OPTIONS (4989568956D04)
Polaris KINGPIN ALL OPTIONS - V04CB16 ENGINE, OIL PUMP MOUNTING - V04CB16/ALL OPTIONS (4989568956D04) Diagram
#
Description
Price
1
DIPSTICK, OIL FILL
5434349
Unavailable
4
Nipple
2540115
Unavailable
5
Body, Oil Pump
5133043
Unavailable
6
SCREW
7517256
Unavailable
6
SCREW
7517256
Unavailable
11
Chain
3221144
Unavailable
12
Tube, Oil, Filter/Crankcase
2540076
Unavailable
13
O-RING
5411231
Unavailable
13
O-RING
5411231
Unavailable
15
SCREW
7517406
Unavailable
