- Partiron
- OEM Parts
- Polaris
- Motorcycle
- VIC
- 2004
- KINGPIN ALL OPTIONS - V04CB16
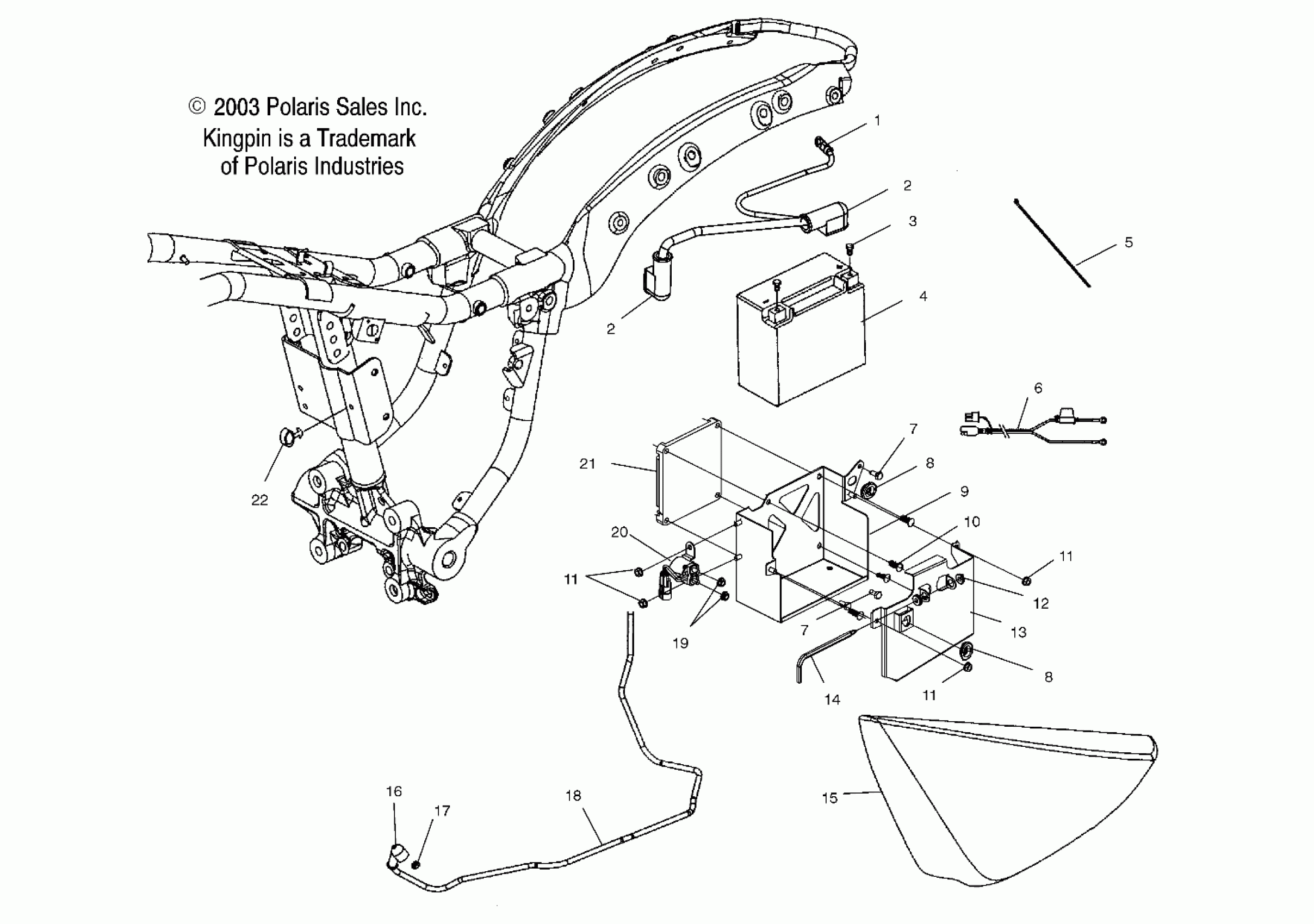
ELECTRICAL, ECM/BATTERY BOX/LH SIDE COVER - V04CB16/ALL OPTIONS (4989568956C01)
Polaris KINGPIN ALL OPTIONS - V04CB16 ELECTRICAL, ECM/BATTERY BOX/LH SIDE COVER - V04CB16/ALL OPTIONS (4989568956C01) Diagram
#
Description
Price
7
SCREW
7517438
Unavailable
7
SCREW
7517438
Unavailable
15
Cover, Side, LH, Black
5434595-266
Unavailable
15
Cover, Side, LH, Blue
5434595-341
Unavailable
15
Cover, Side, LH, Red
5434595-342
Unavailable
15
Cover, Side, LH, PTD/SLV/FZ
5434595-1170
Unavailable
17
NUT, FLEXLOC
7547091
Unavailable
20
SOLENOID, STARTER [SEE ELECTRICAL PG. C5, REF. 5]
-------
Unavailable
21
ECM, Programmed NOTE: Refer to Victory Diagnostic Software Users Guide for appropriate calibration instructions.
4010916
$669.99
