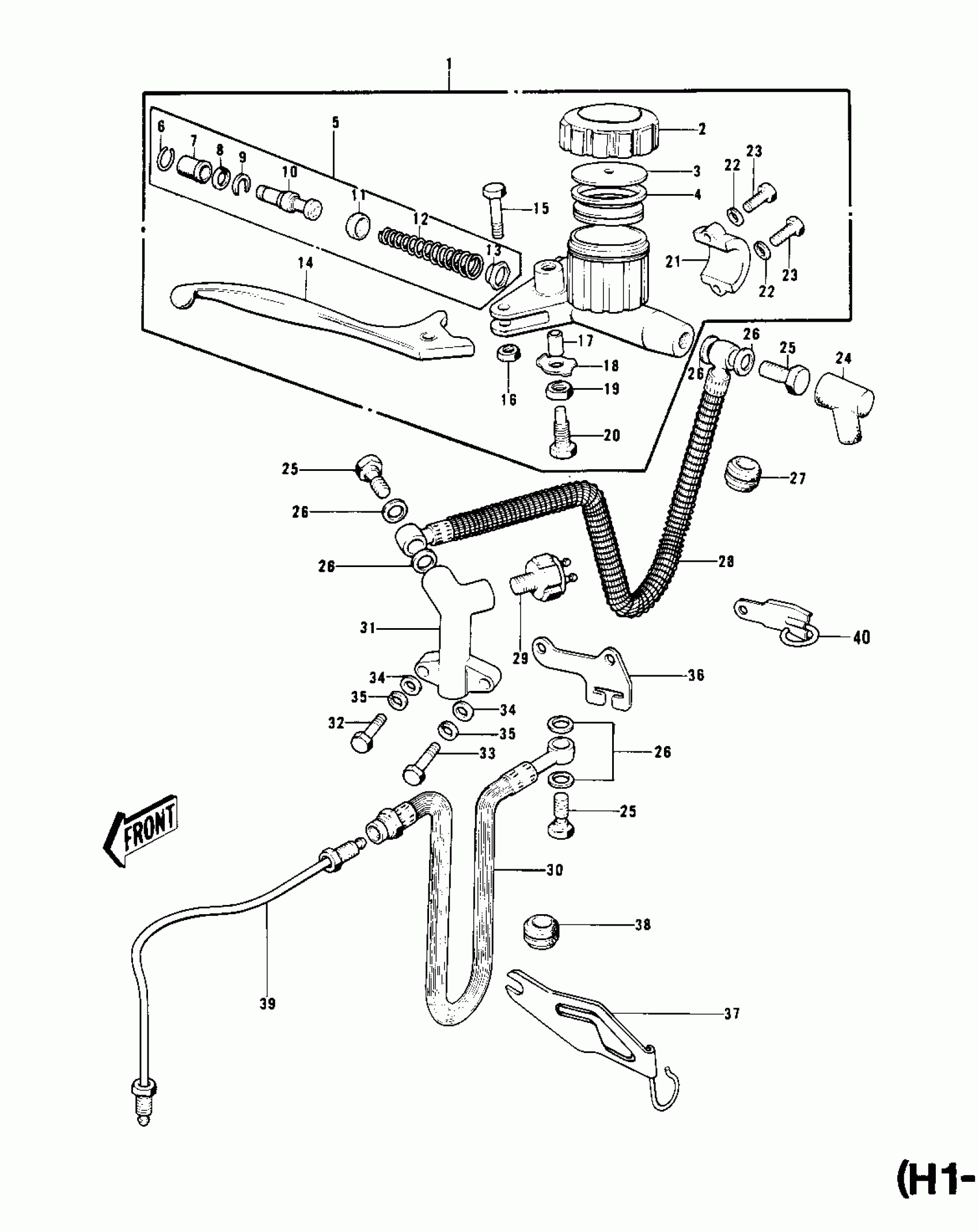
Kawasaki KH500-A8 FRONT MASTER CYLINDER (H1-B) Diagram
#
Description
Price
1
CYLINDER ASSY,MASTER
43015-032
Unavailable
1
CYLINDER ASSY,MASTER
43015-032
Unavailable
2
CAP,OIL CUP
43026-003
Unavailable
3
PLATE-MASTER CYLINDE
43027-001
Unavailable
6
STOPPER-BOOTS
43025-001
Unavailable
9
STOPPER-PISTON
43022-001
Unavailable
10
PISTON ASSY
43072-001
Unavailable
15
BOLT-LEVER FITTING
43033-001
Unavailable
18
WASHER-LOCK,8MM
43031-001
Unavailable
20
BOLT-LEVER ADJUST
43030-002
Unavailable
29
SWITCH-FRONT BRAKE
43065-001
Unavailable
30
HOSE-BRAKE,L=350
43059-1262
Unavailable
33
BOLT-HEX HEAD,6X32
110N0632
Unavailable
36
GUIDE HOSE
43062-001
Unavailable
37
BRACKET-BRAKE HOSE
43063-001
Unavailable
38
GROMMET-HOSE BRACKET
43064-001
Unavailable
39
PIPE-FRONT BRAKE
43060-001
Unavailable
40
BRACKET-BRAKE HOSE
43063-002
Unavailable
