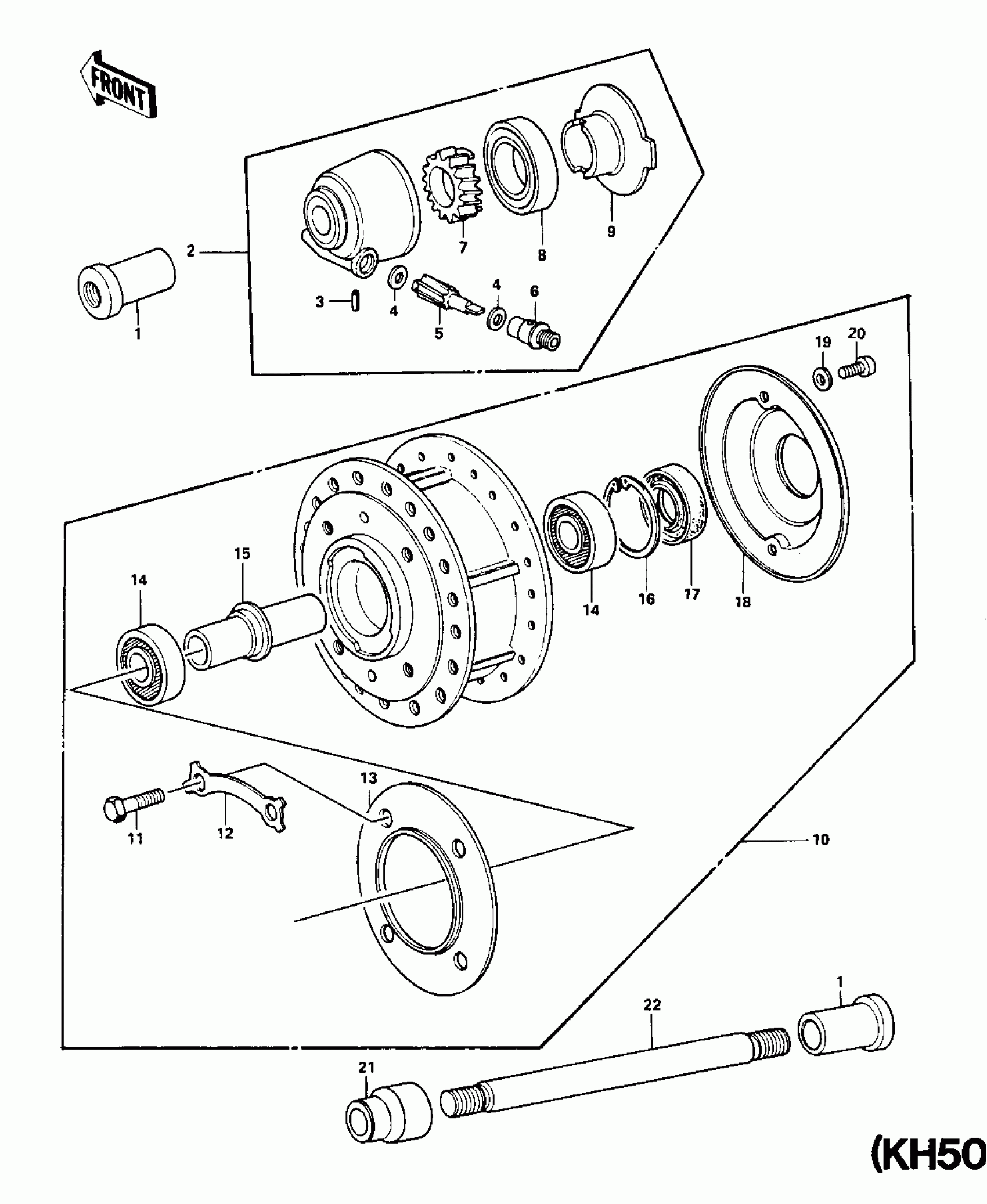
Kawasaki KH500-A8 FRONT HUB (KH500-A8) Diagram
#
Description
Price
1
COLLAR,FRONT AXLE
41069-033
Unavailable
2
GEAR BOX ASSY
41078-008
Unavailable
5
PINION,SPEEDOMETER
41060-017
Unavailable
9
RECEIVER,GEAR
41064-013
Unavailable
13
DUST COVER
41042-014
Unavailable
15
COLLAR,BRG
41039-028
Unavailable
18
DUST COVER
41042-016
Unavailable
