Kawasaki KH500-A8 FRONT BRAKE (KH500-A8) Diagram
#
Description
Price
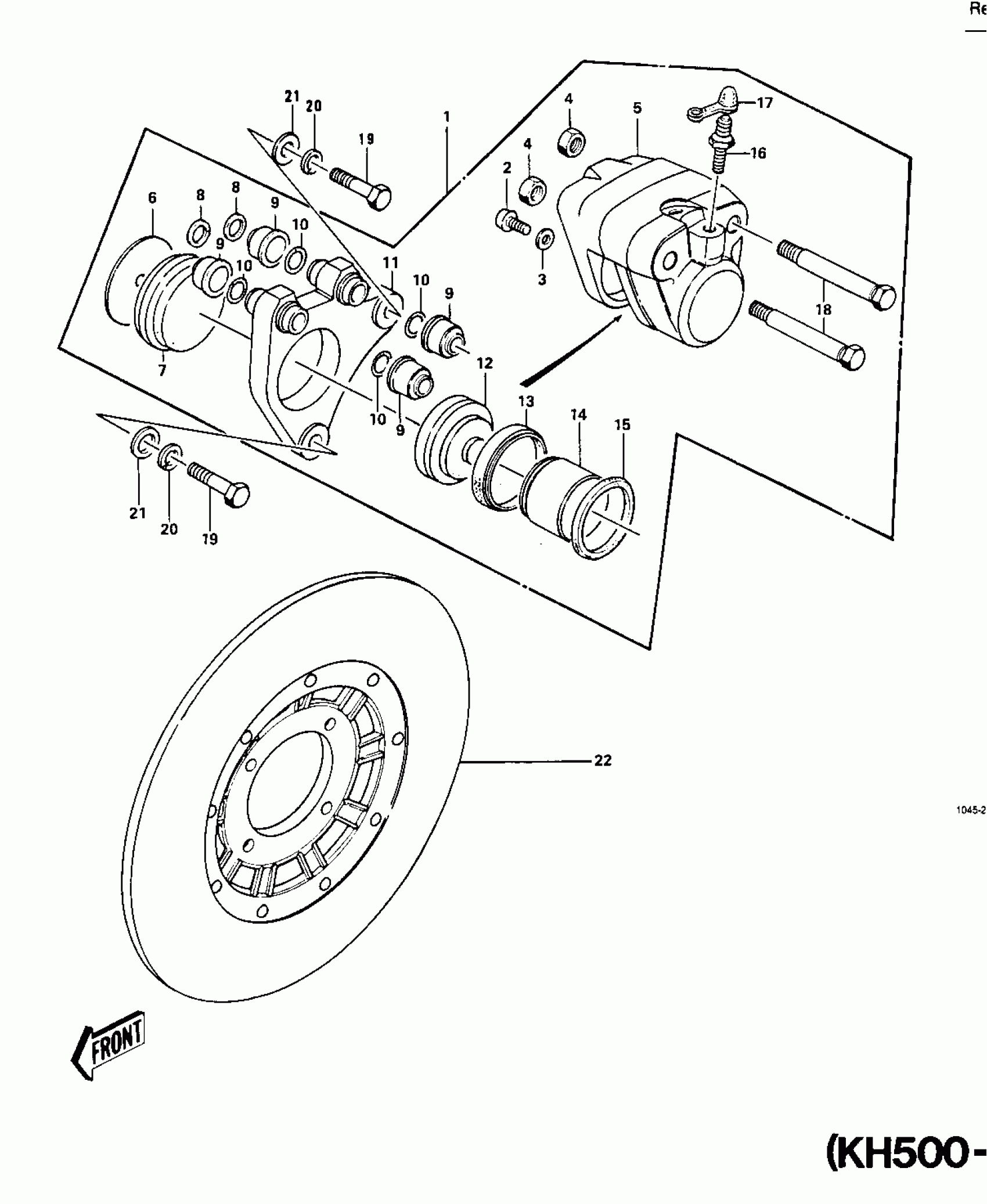
2
SCREW PAN HEAD 6X12
220B0612
Unavailable
8
PLUG
43088-002
Unavailable
9
DUST SHILD,SHAFT
43052-005
Unavailable
10
"0" RING
43053-006
Unavailable
13
DUST SEALD,RUBBER
43054-003
Unavailable
14
PISTON,CALIPER
43048-006
Unavailable
