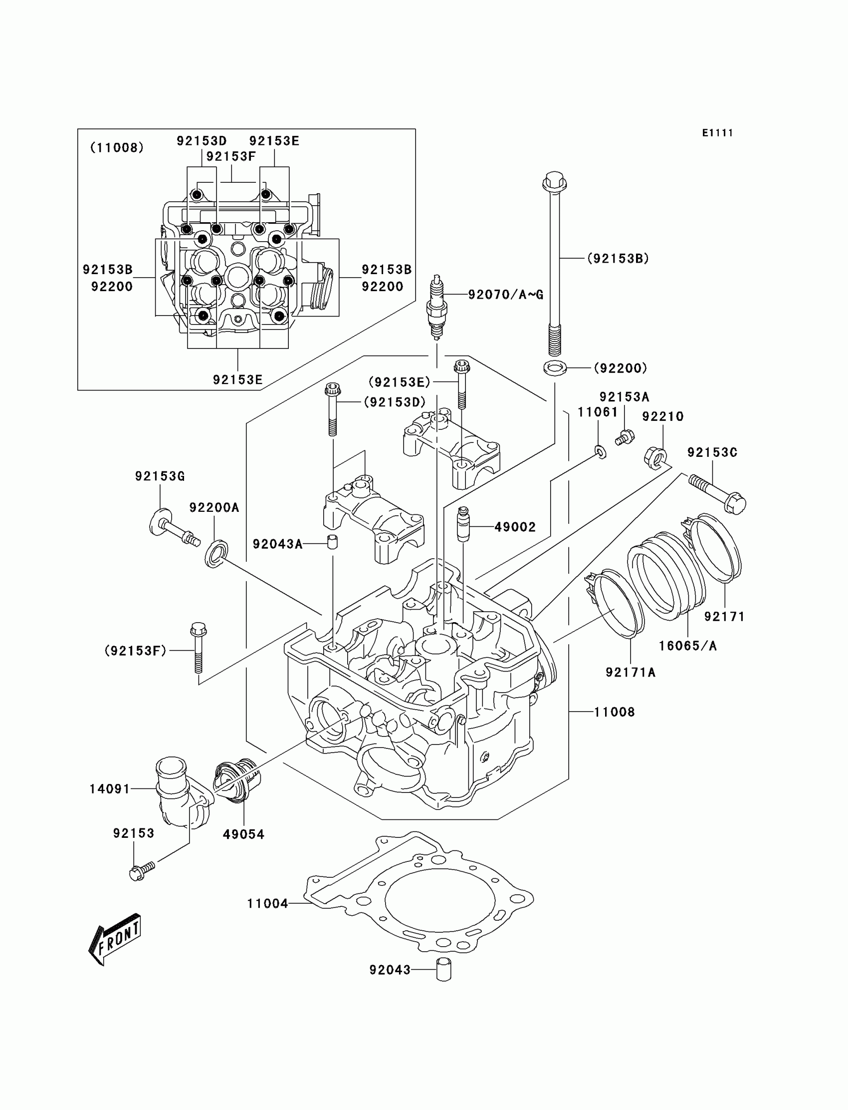
Kawasaki KFX400 Cylinder Head Diagram
#
Description
Price
92070A
PLUG-SPARK,U24ESR-N(ND)
92070-S002
Unavailable
92153
BOLT
92153-S001
Unavailable
92171A
CLAMP
92171-S090
Unavailable
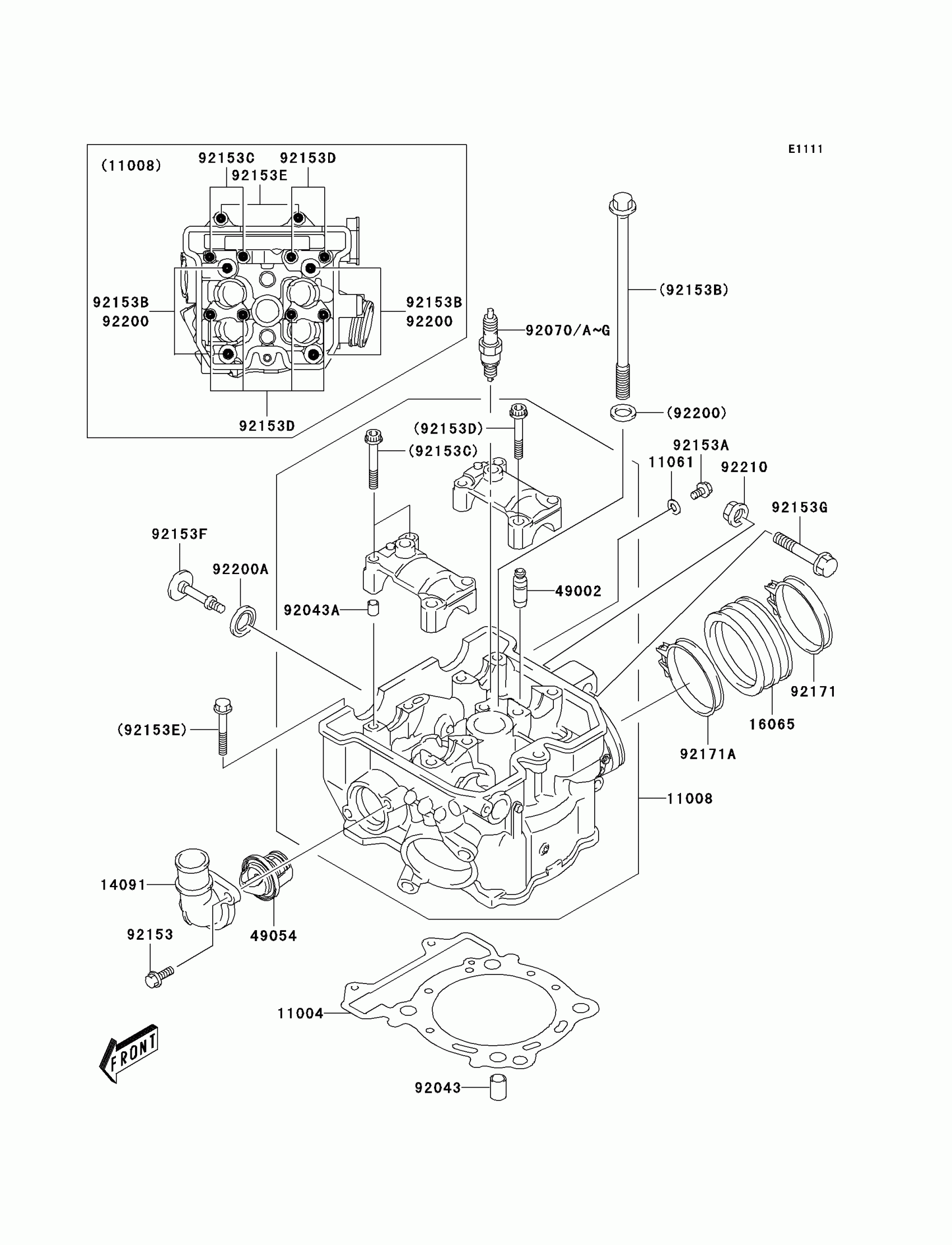
#
92070A
92070-S002
Unavailable
92153
92153-S001
Unavailable
92171A
92171-S090
Unavailable
Edit ride
