Partiron

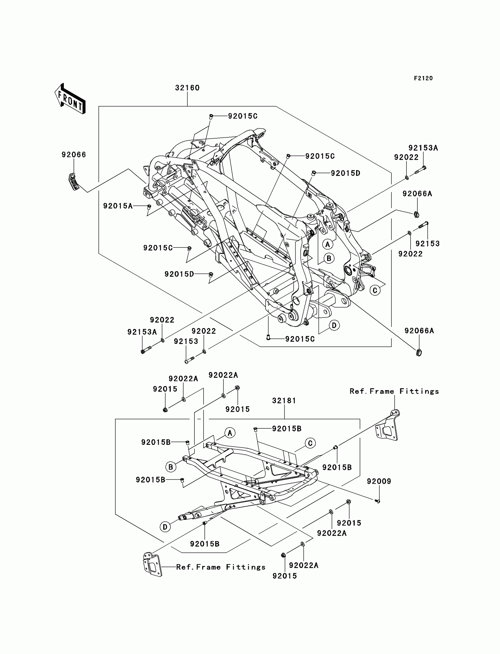
Kawasaki KFX®450R Frame Diagram

#

Description
Price

32160

FRAME-COMP

32160-0465

$1,266.33

32181

FRAME-SUB-COMP

32181-0067

Unavailable

92009

SCREW,TAPPING,6X16

92009-1166

$5.52

92015

NUT,8MM

92015-1432

$6.57

92015A

NUT,POP,6MM

92015-1759

$5.00

92015B

NUT,POP,6MM,L=15

92015-1791

$4.69

92015C

NUT,POP,6MM,L=16.5

92015-1792

$4.69

92015D

NUT,POP,8MM,L=18

92015-1794

$5.24

92022

WASHER,PLAIN,8MM

92022-3043

$2.91

92022A

WASHER,8.2X18X1.5

92022-3743

$4.22

92066

PLUG,FRAME TOP,F.SILVER

92066-0082-AG

$9.49

92066A

PLUG

92066-0113

$2.11

92153

BOLT,SOCKET,8X40

92153-1659

$7.18

92153A

BOLT,SOCKET,8X40

92153-1913

$3.55