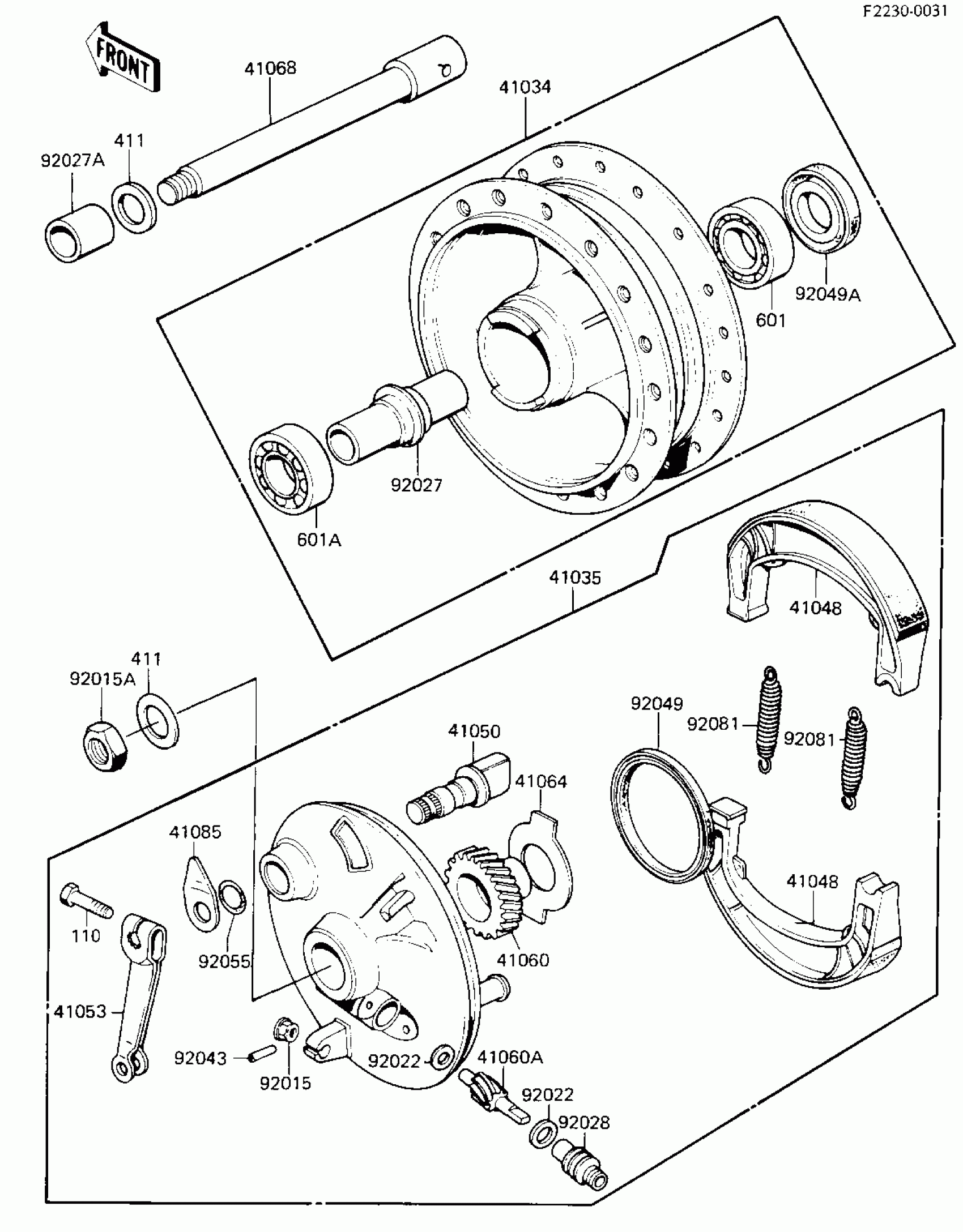
Kawasaki KE100 FRONT HUB/BRAKE Diagram
#
Description
Price
1
AXLE,FR
41068-039
Unavailable
2
DUST SHIELD FRNT DRUM
41042-002
Unavailable
3
COLLAR FRONT HUB R.H
41069-002
Unavailable
4
DRUM-ASSY,FR BRK
41034-1040
Unavailable
4
DRUM-ASSY,FR BRK
41034-1040
Unavailable
9
PANEL-ASY,FR BRK BUFF
41035-071-80
Unavailable
