Kawasaki KE100 CHASSIS ELECTRICAL EQUIPMENT Diagram
#
Description
Price
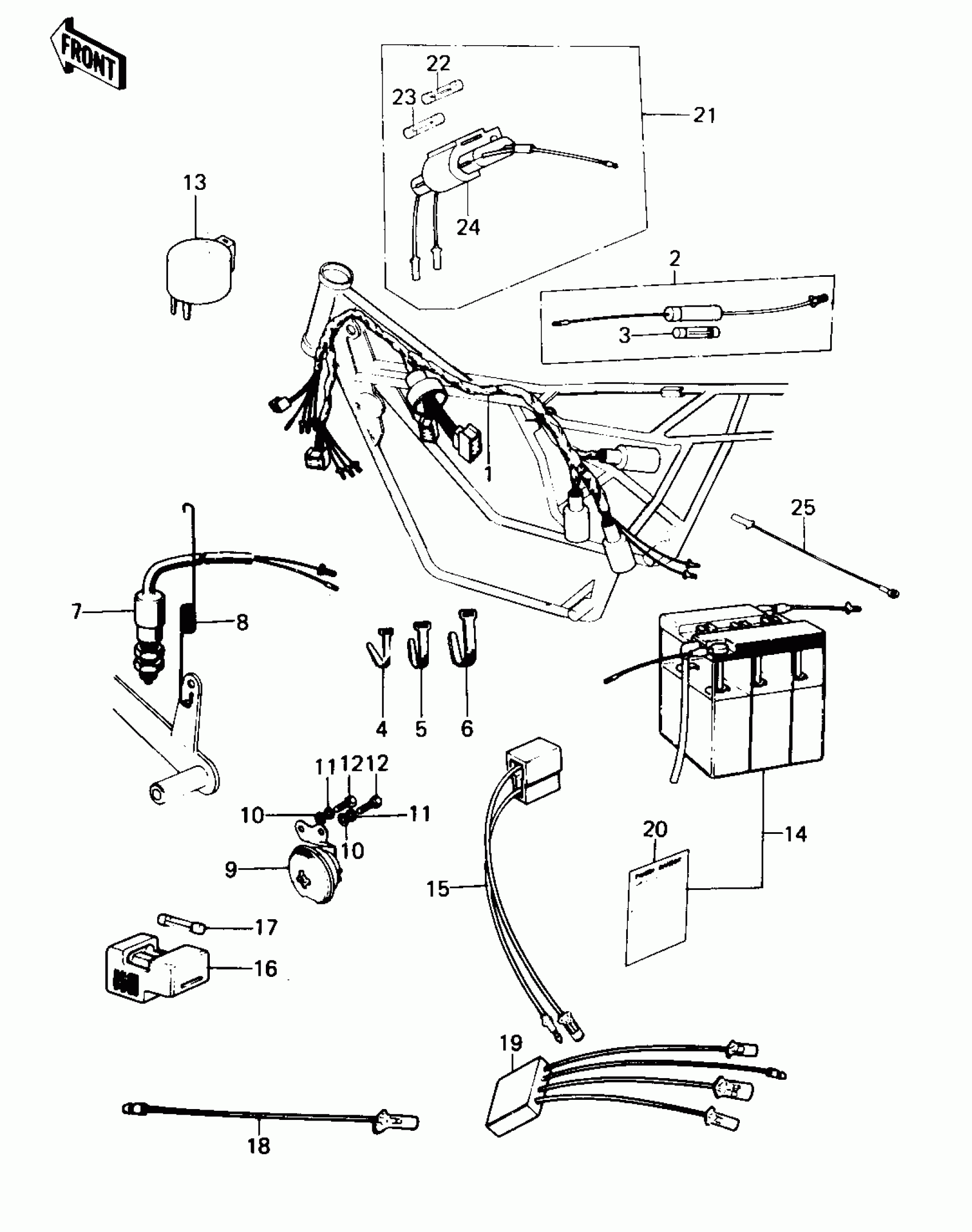
1
WIRING HARNESS-MAIN
26001-063
Unavailable
1
WIRING HARNESS,MAIN
26001-1046
Unavailable
2
FUSE ASSY
26004-017
Unavailable
7
SWITCH-BRAKE LAMP
27010-015
Unavailable
9
HORN
27003-059
Unavailable
13
RELAY-ASSY,TURN SIGNAL
27002-013
Unavailable
14
YUA BAT 6N4-2A-5
K26012-020
Unavailable
14
YUA BAT 6N6-1D-2
K26012-034
Unavailable
15
WIRE,RECTIFIER LEAD
26011-074
Unavailable
18
WIRE,LEAD
26011-094
Unavailable
19
WIRING HARNESS,REAR
26002-056
Unavailable
20
LABEL-WARNING,BATTERY
56040-1036
Unavailable
21
FUSE-ASSY
26004-1010
Unavailable
24
DAMPER RUBBER
92075-1044
Unavailable
25
WIRE-LEAD
26011-093
Unavailable
