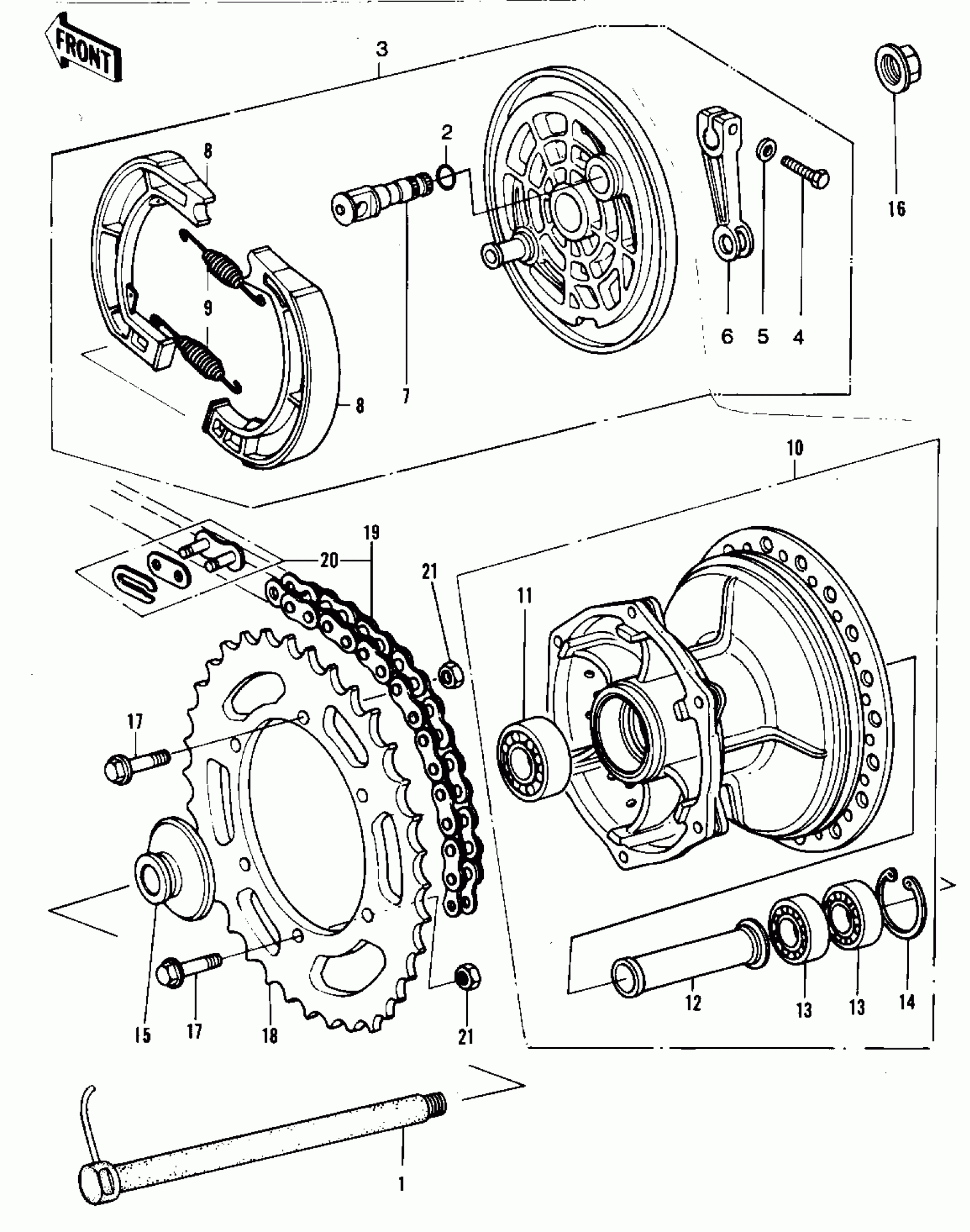
Kawasaki KDX420 REAR HUB/BRAKE/CHAIN Diagram
#
Description
Price
6
LEVER BRAKE CAM
41053-1022
Unavailable
15
COLLAR
92027-4013
Unavailable
16
NUT,16MM
92015-1015
Unavailable
18
REAR SPROCKET,50T STD
42041-1006
Unavailable
19
CHAIN-DRIVE
92057-4008
Unavailable
