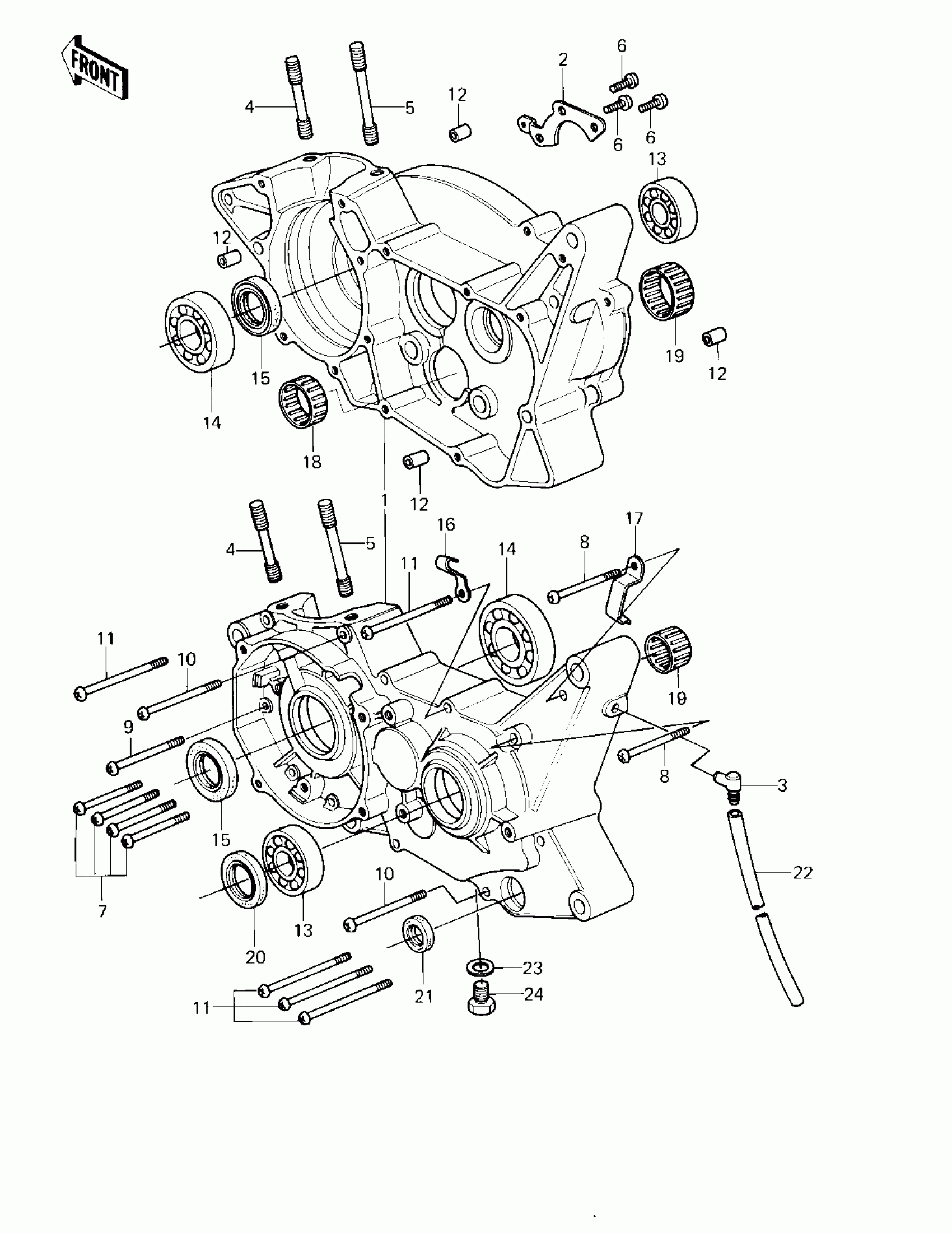
Kawasaki KDX175 CRANKCASE ('80 A1) Diagram
#
Description
Price
1
CRANKCASE SET
14001-5047
Unavailable
2
PLATE,POSITIONING
14014-1003
Unavailable
15
CLAMP CABLE
92037-016
Unavailable
17
CLAMP
92037-1073
Unavailable
18
BEARING,NEEDLE
92046-043
Unavailable
22
PIPE-BREATHER
92059-061
Unavailable
