- Partiron
- OEM Parts
- Yamaha
- motorcycle
- 1972
- JT2MX (JT2_JT2MX) 1972
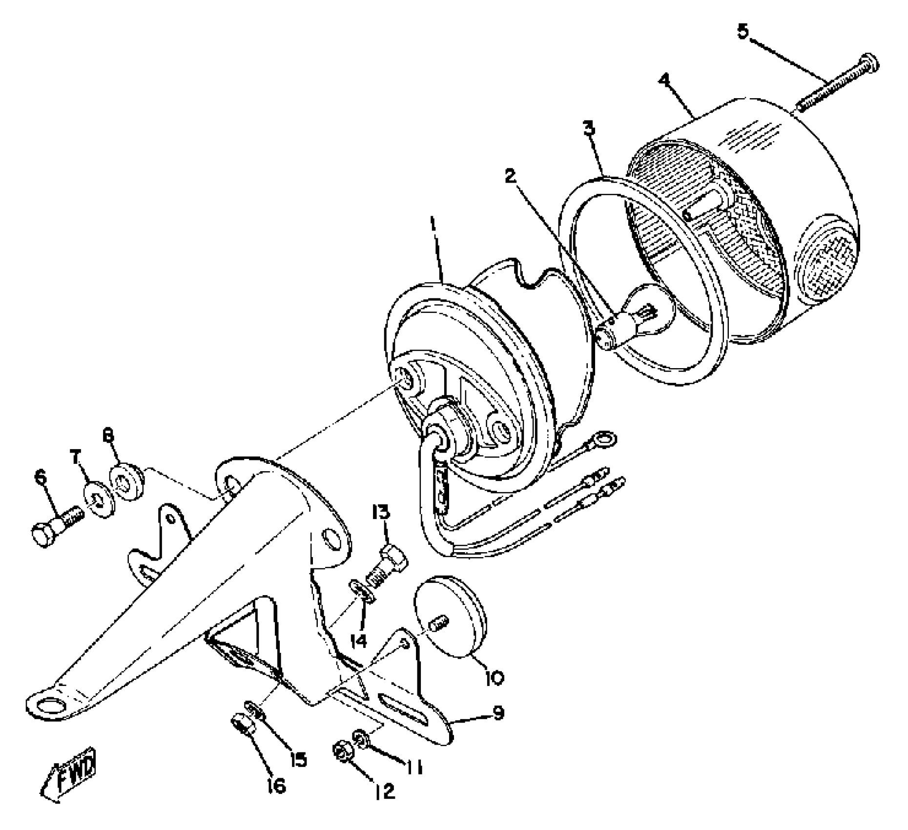
TAIL LAMP
Yamaha JT2MX (JT2_JT2MX) 1972 TAIL LAMP Diagram
#
Description
Price
1
TAILLIGHT UNIT ASSEMBLY
(338-84510-61-00)
Unavailable
1
BASE, TAILLIGHT
(338-84511-61-00)
Unavailable
2
BULB,TAIL LAMP(6V17/5.3W)
122-84514-30-00
Unavailable
3
. GASKET, LENS
275-84523-60-00
Unavailable
4
LENS, TAILLIGHT
(275-84521-60-00)
Unavailable
6
SCREW
(479-84526-00-00)
Unavailable
7
UNAVAILABLE IN PRICE BOOK (437-84525-60)
2H7-84756-00-00
Unavailable
8
. DAMPER
275-84527-60-00
Unavailable
9
NO LONGER AVAILABLE
338-84551-60-35
Unavailable
10
REFLECTOR, FRONT 1
(278-85111-00-00)
Unavailable
15
WASHER, SPRING
92995-06100-00
Unavailable
16
NUT, HEXAGON
95380-06600-00
Unavailable
