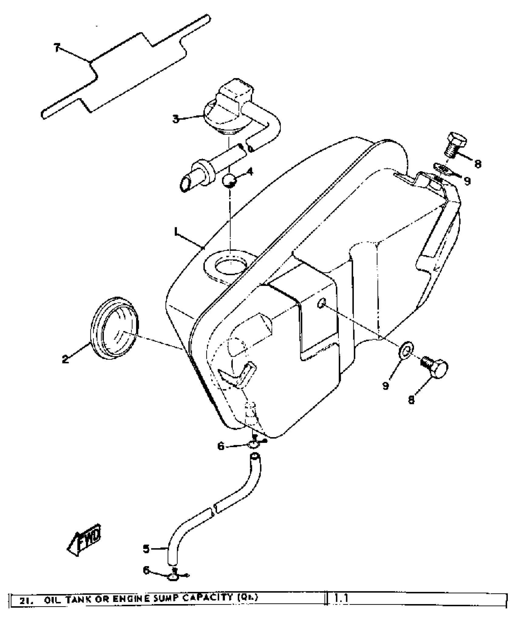
Partiron

Yamaha JT1L (JT1_JT1L) 1971 OIL TANK Diagram

#

Description
Price

1

OIL TANK ASSEMBLY

(288-21705-00-26)

Unavailable

2

GAUGE, LEVEL

214-21761-00-00

Unavailable

3

BODY, CAP

288-21771-00-00

Unavailable

4

BALL

288-24684-00-00

Unavailable

5

PIPE 2

3YR-24312-00-00

$18.49

6

CLIP 101235600

90467-08003-00

$10.49

7

EMBLEM 7

(288-21787-00-00)

Unavailable

8

BOLT (661)

97013-06012-00

$5.60

9

YBS66-6 WASHER, PLAIN

92990-06200-00

$3.78