- Partiron
- OEM Parts
- Yamaha
- motorcycle
- 1971
- JT1L (JT1_JT1L) 1971
FUEL TANK
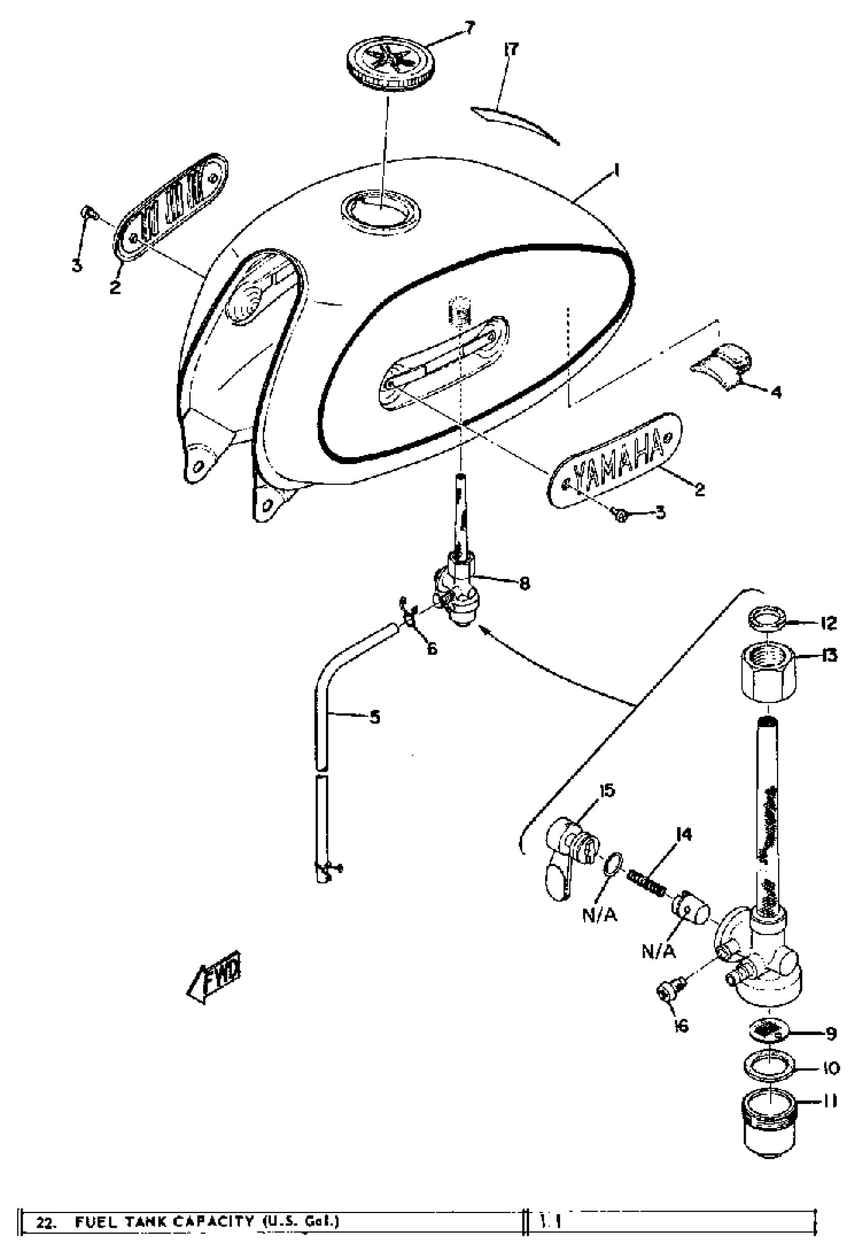
Yamaha JT1L (JT1_JT1L) 1971 FUEL TANK Diagram
#
Description
Price
1
FUEL TANK
(288-24110-01-05)
Unavailable
2
EMBLEM 1
276-24161-00-00
Unavailable
4
DAMPER, LOCATING 1
(288-24181-00-00)
Unavailable
5
PIPE 5
(626-24315-00-00)
Unavailable
8
FUEL COCK ASSY
367-24500-04-00
Unavailable
9
. NET, FILTER 2
122-24515-00-00
Unavailable
11
. CUP, FILTER
122-24521-00-00
Unavailable
13
. NUT
122-24531-00-00
Unavailable
14
SPRING, COMPRESSION
(90501-07029-00)
Unavailable
15
. LEVER, COCK
122-24524-00-00
Unavailable
16
SCREW, LVR FITTING
(127-24535-00-00)
Unavailable
17
LABEL, SAFETY
288-21659-00-00
Unavailable
