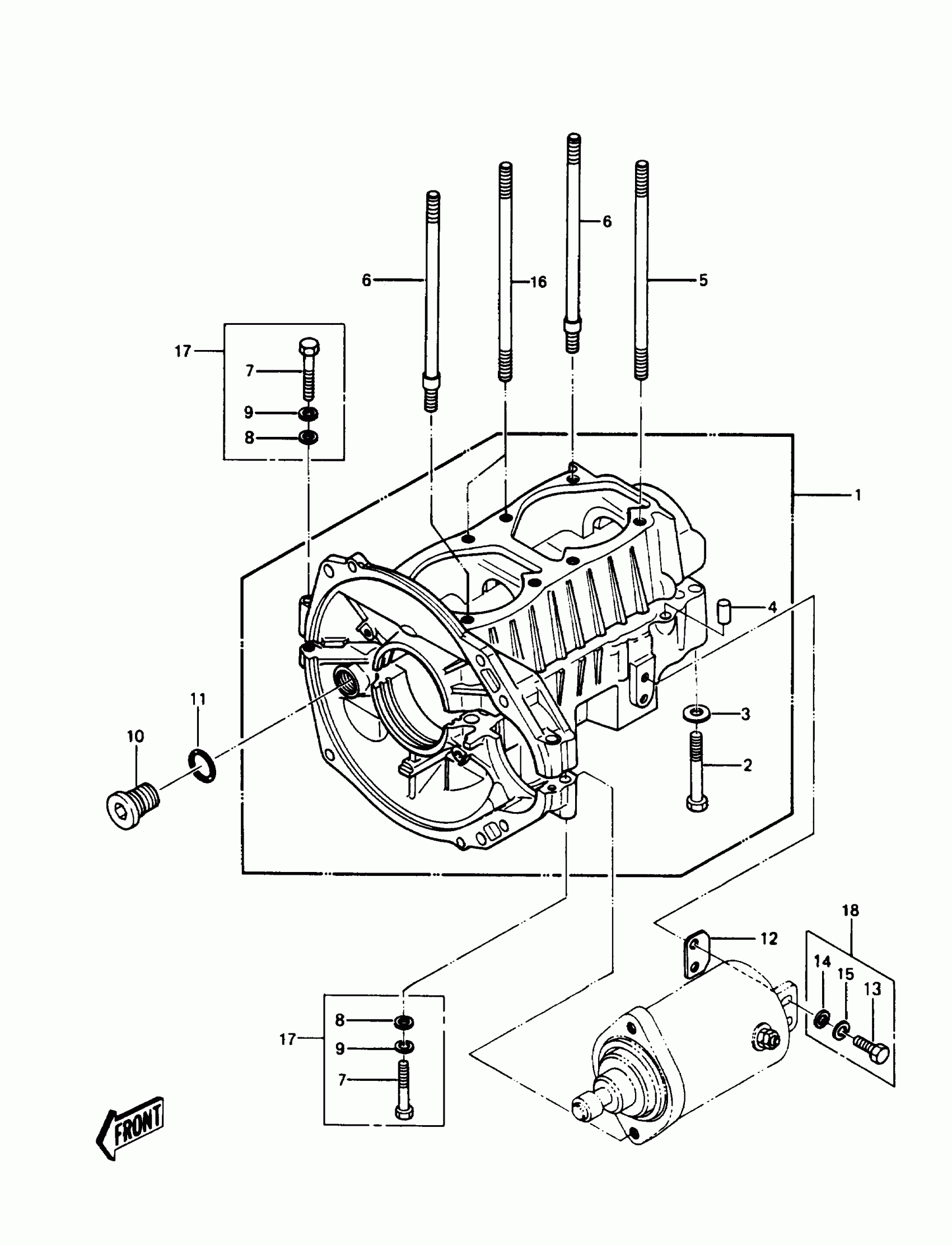
Kawasaki JS550 CRANKCASE Diagram
#
Description
Price
1
SET-CRANKCASE
14001-5265
Unavailable
2
BOLT,8X60
92001-3033
Unavailable
6
STUD,8X167
92004-3020
Unavailable
10
JOINT
59071-516
Unavailable
12
SHIM
92025-3015
Unavailable
12
SHIM,STARTER,T=0.6
92025-3013
Unavailable
12
SHIM,STARTER,T=0.8
92025-3014
Unavailable
16
STUD,8X170
92004-2084
Unavailable
