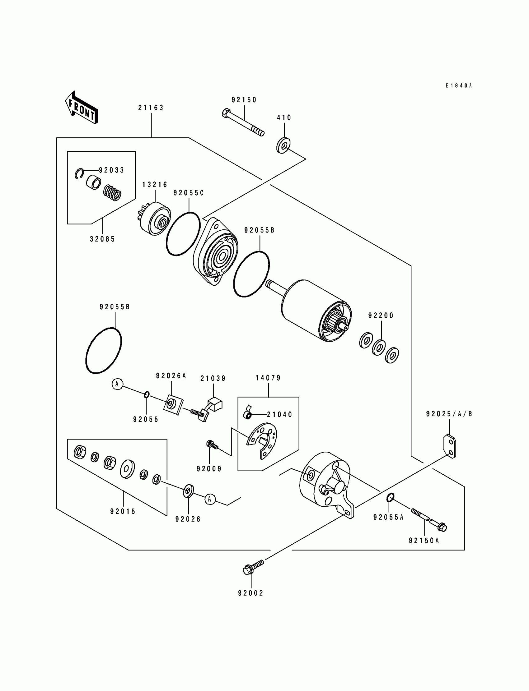
Kawasaki JS440 Starter Motor(TC440B-054871&NAMI.) Diagram
#
Description
Price
13216
GEAR-COMP,SPUR
13216-3703
Unavailable
14079
HOLDER-ASSY,BRUSH
14079-3706
Unavailable
21039
BRUSH,CARBON(+)
21039-3704
Unavailable
21040
SPRING-BRUSH
21040-3701
Unavailable
21163
STARTER-ELECTRIC
21163-3710
Unavailable
32085
STOPPER,GEAR
32085-3718
Unavailable
92009
SCREW,4X10
92009-3785
Unavailable
92015
NUT,STARTER TERMINAL
92015-3820
Unavailable
92025
SHIM,STARTER,T=0.4
92025-3012
Unavailable
92025A
SHIM,STARTER,T=0.6
92025-3013
Unavailable
92025B
SHIM,STARTER,T=0.8
92025-3014
Unavailable
92026
SPACER,TERMINAL,OUT
92026-3704
Unavailable
92033
RING-SNAP
92036-517
Unavailable
92055A
RING-O,BOLT
92055-3729
Unavailable
92055B
RING-O,YOKE
92055-3730
Unavailable
92150
BOLT,8X75
92150-3756
Unavailable
92150A
BOLT,5X120
92150-3783
Unavailable
92200
WASHER,THRUST
92200-3713
Unavailable
