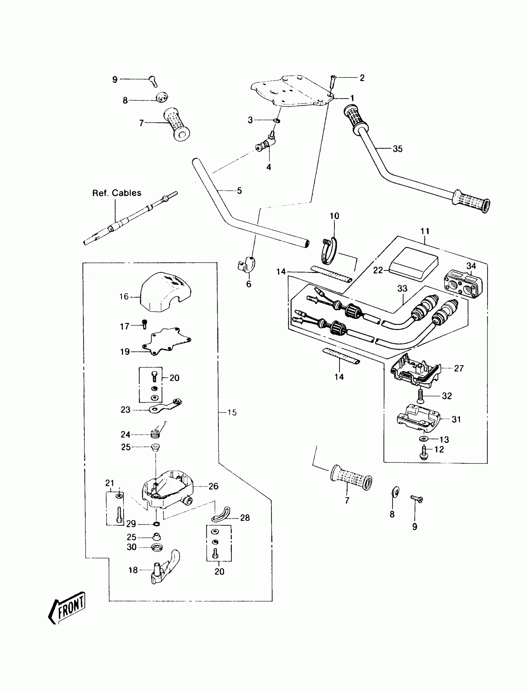
Kawasaki JS440 Handlebar Diagram
#
Description
Price
16
HOUSING-CONTROL,UPP
39063-3703
Unavailable
18
LEVER-THROTTLE
39075-3704
Unavailable
19
COVER,THROTTLE LEVER
14024-3701
Unavailable
25
COLLAR,THROTTLE LEVER
92027-3704
Unavailable
26
HOUSING-CONTROL,LWR
39063-3707
Unavailable
28
STOPPER
32085-3709
Unavailable
34
CASE,FR,SWITCH
32099-3724
Unavailable
1
PLATE,HANDLEBAR
13169-3004
Unavailable
