- Partiron
- OEM Parts
- Kawasaki
- watercraft
- 2011
- JET SKI® Ultra® LX
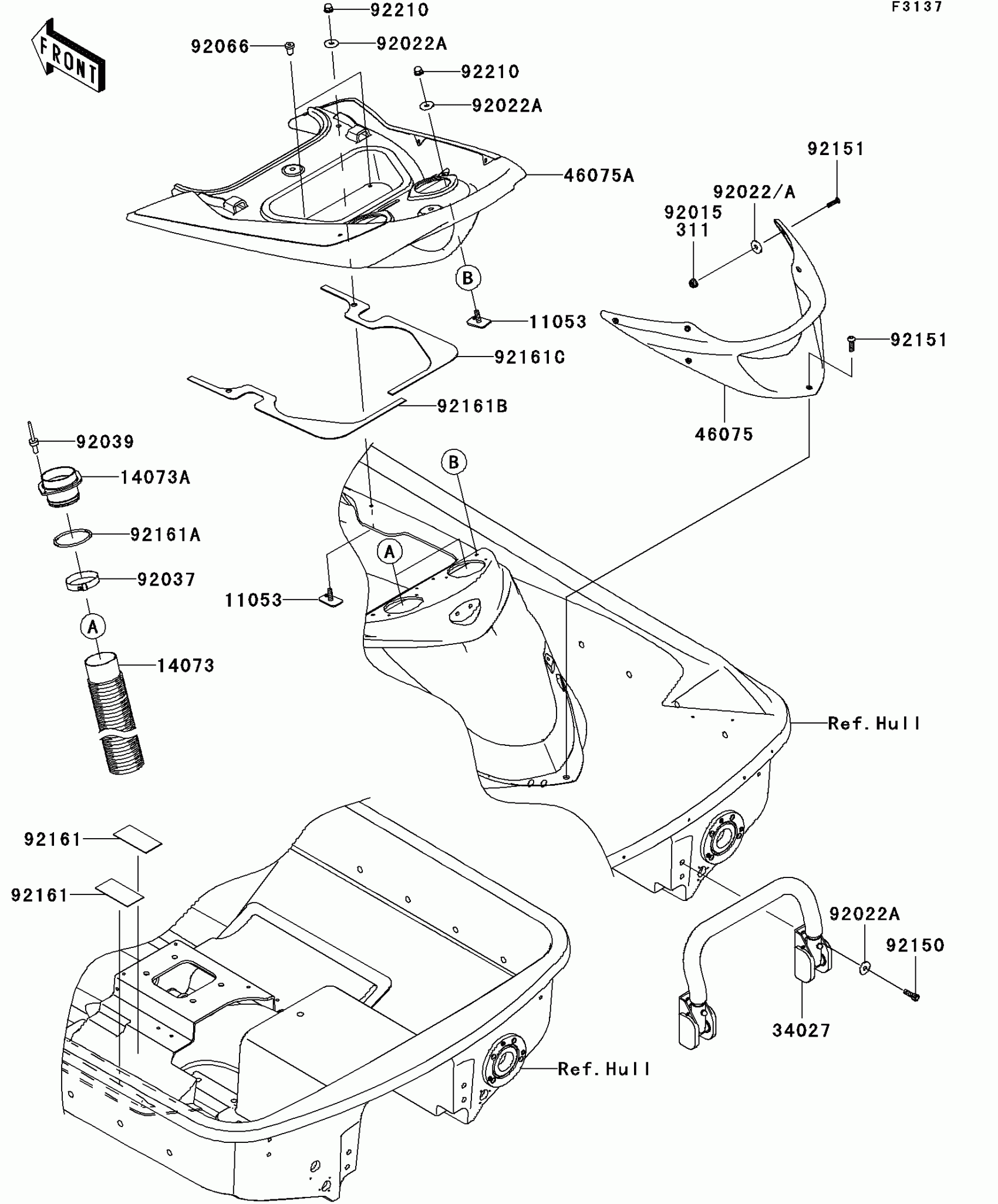
Hull Rear Fittings
Kawasaki JET SKI® Ultra® LX Hull Rear Fittings Diagram
#
Description
Price
34027
STEP-ASSY
34027-3709
Unavailable
46075A
GRIP,RR,UPP
46075-3766
Unavailable
