- Partiron
- OEM Parts
- Kawasaki
- watercraft
- 2018
- JET SKI® ULTRA® 310X
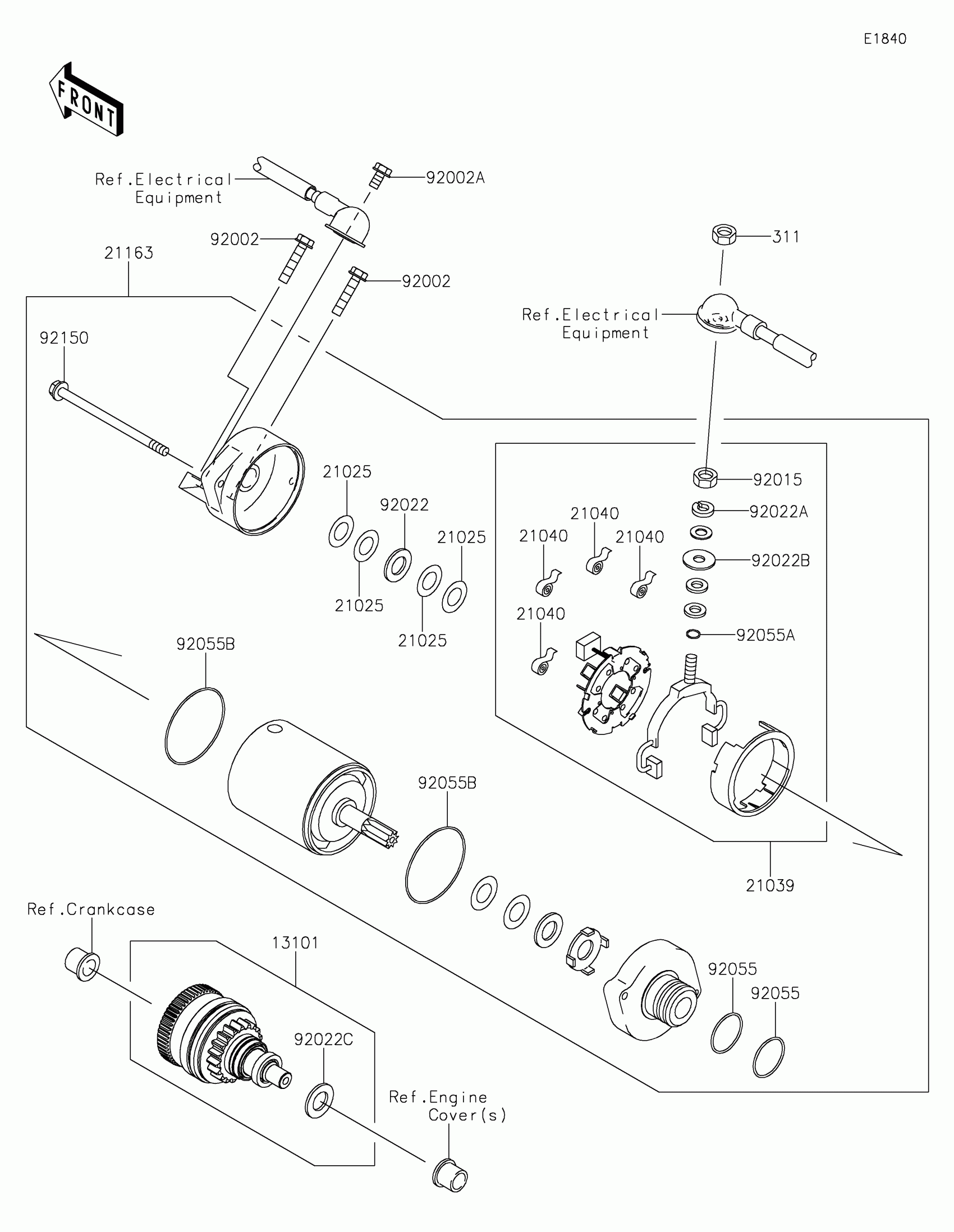
Starter Motor
Kawasaki JET SKI® ULTRA® 310X Starter Motor Diagram
#
Description
Price
21025
WASHER,9.1X18X0.2
21025-011
Unavailable
