- Partiron
- OEM Parts
- Kawasaki
- watercraft
- 2018
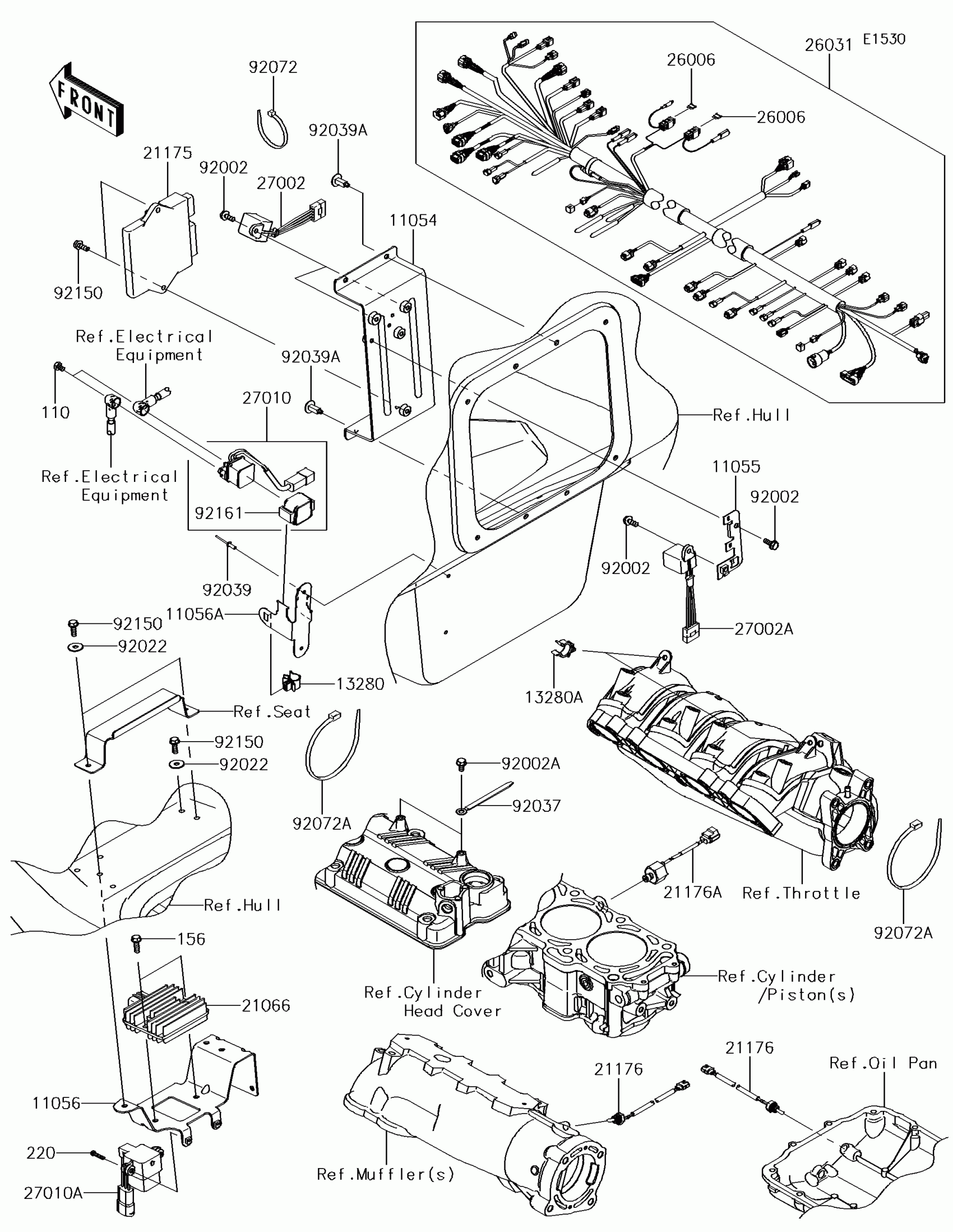
- JET SKI® ULTRA® 310X
Fuel Injection
Kawasaki JET SKI® ULTRA® 310X Fuel Injection Diagram
#
Description
Price
21066
REGULATOR-VOLTAGE
21066-3718
Unavailable
