Partiron

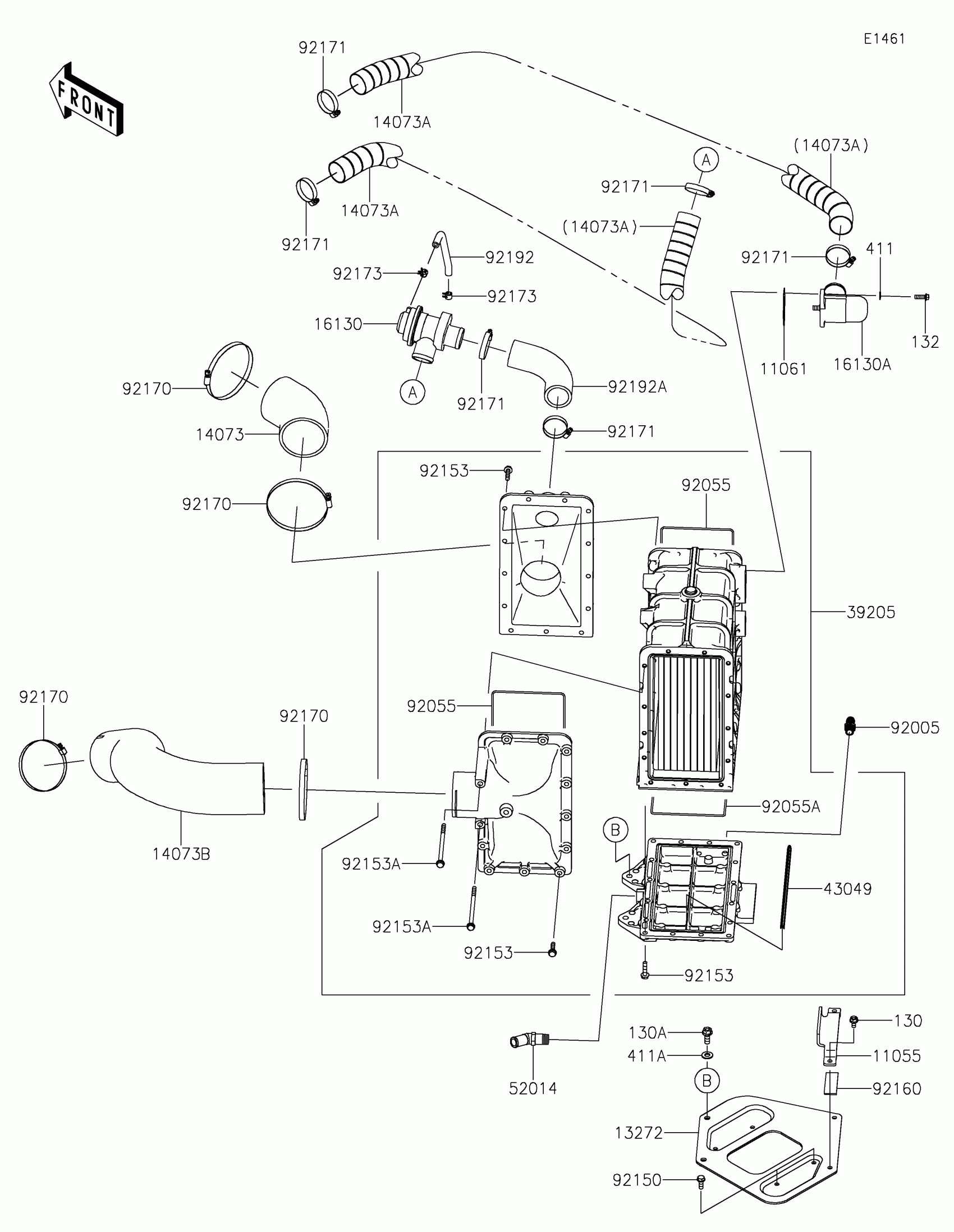
Kawasaki JET SKI® ULTRA® 310R Inter Cooler Diagram

#

Description
Price

11055

BRACKET

11055-3714

$32.10

11061

GASKET

11061-3765

$8.10

130

BOLT-FLANGED,6X12

130CD0612

$1.78

130A

BOLT-FLANGED,8X20

130CD0820

$2.70

132

BOLT-FLANGED-SMALL,6X18

132BC0618

$2.15

13272

PLATE

13272-3721

$122.20

14073

DUCT,I/C-TH.

14073-3823

$39.34

14073A

DUCT,BYPASS VALVE-A/C

14073-3834

$30.33

14073B

DUCT,S/C-I/C

14073-3839

$153.23

16130

VALVE-ASSY-RELIEF,AIR BYPASS

16130-3703

$522.35

16130A

VALVE-ASSY-RELIEF,BLOW OFF

16130-3707

$419.89

39205

HEAT EXCHANGER,INTER COOLER

39205-3702

$2,566.86

411

WASHER-PLAIN,6MM

411S0600

$2.06

411A

WASHER-PLAIN,8MM

411S0800

$3.09

43049

PACKING

43049-3719

$11.82

52014

ELBOW

52014-3714

$46.09

92005

FITTING

92005-3714

$18.72

92055

RING-O

92055-3779

$13.41

92055A

RING-O

92055-3780

$10.30

92150

BOLT,6X18

92150-3729

$4.69

92153

BOLT,FLANGED,6X25

92153-3750

$2.61

92153A

BOLT,FLANGED,6X110

92153-3751

$4.65

92160

DAMPER

92160-1075

$6.57

92170

CLAMP

92170-3764

$10.35

92171

CLAMP

92171-3725

$13.64

92173

CLAMP

92173-1038

$0.85

92192

TUBE,5.8X10.8X140

92192-1512

$10.28

92192A

TUBE,I/C-ABV

92192-3784

$32.22