- Partiron
- OEM Parts
- Kawasaki
- watercraft
- 2018
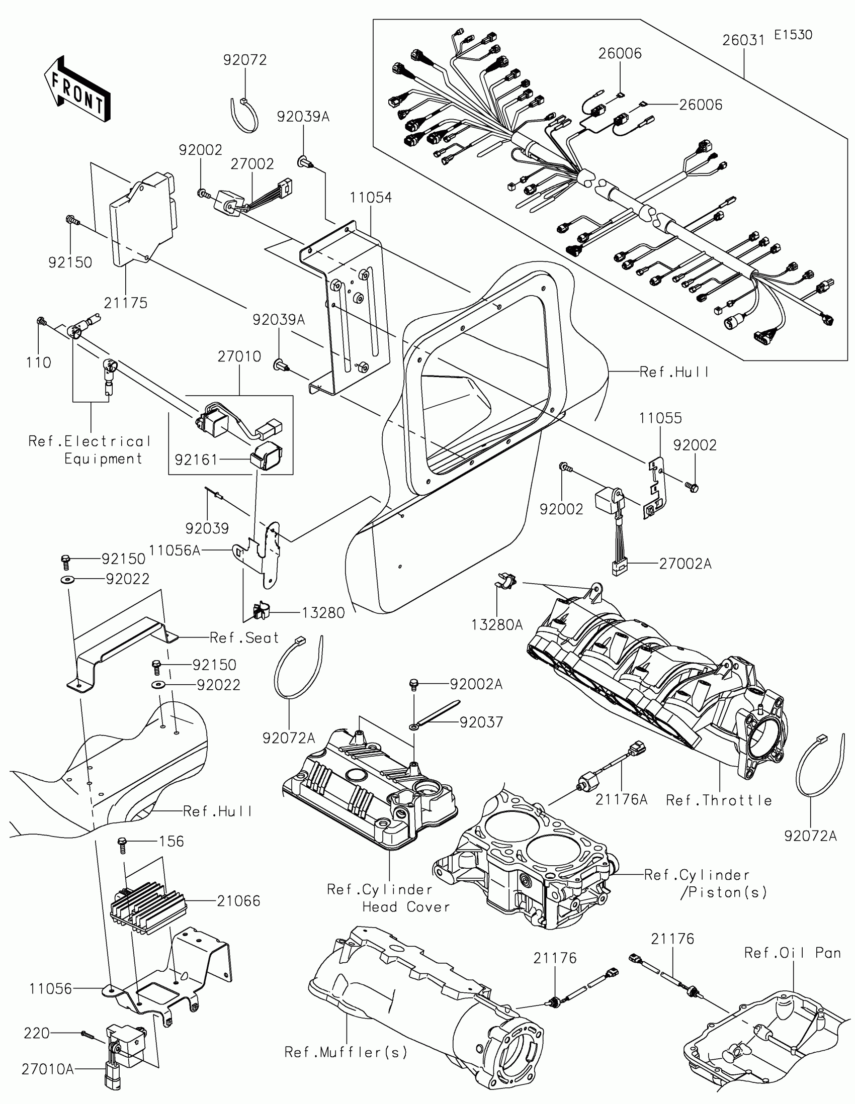
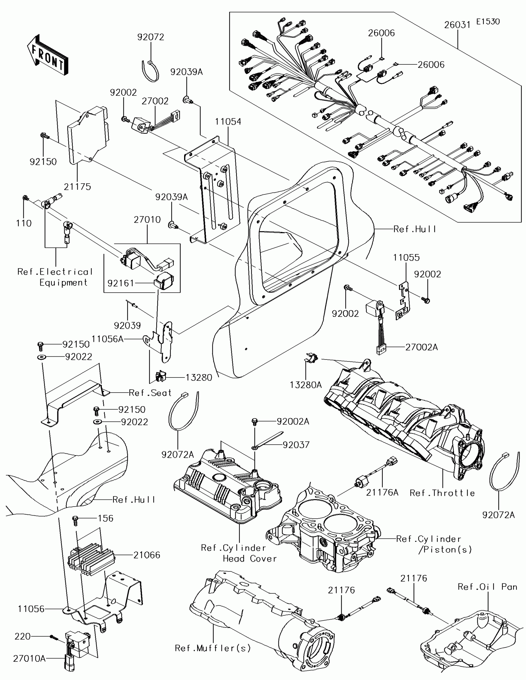
- JET SKI® ULTRA® 310R
Fuel Injection
Kawasaki JET SKI® ULTRA® 310R Fuel Injection Diagram
#
Description
Price
21066
REGULATOR-VOLTAGE
21066-3718
Unavailable
