- Partiron
- OEM Parts
- Kawasaki
- watercraft
- 2018
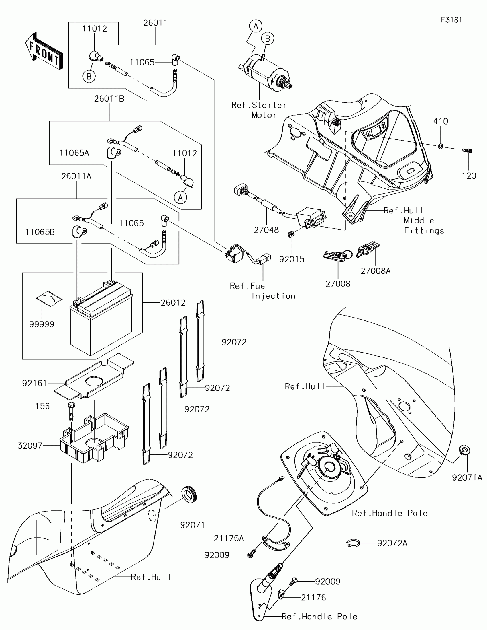
- JET SKI® ULTRA® 310R
Electrical Equipment
Kawasaki JET SKI® ULTRA® 310R Electrical Equipment Diagram
#
Description
Price
26012
BATTERY,YTX20L-BS,12V 18AH
26012-3730
Unavailable
