- Partiron
- OEM Parts
- Kawasaki
- watercraft
- 2010
- Jet Ski® Ultra® 260X
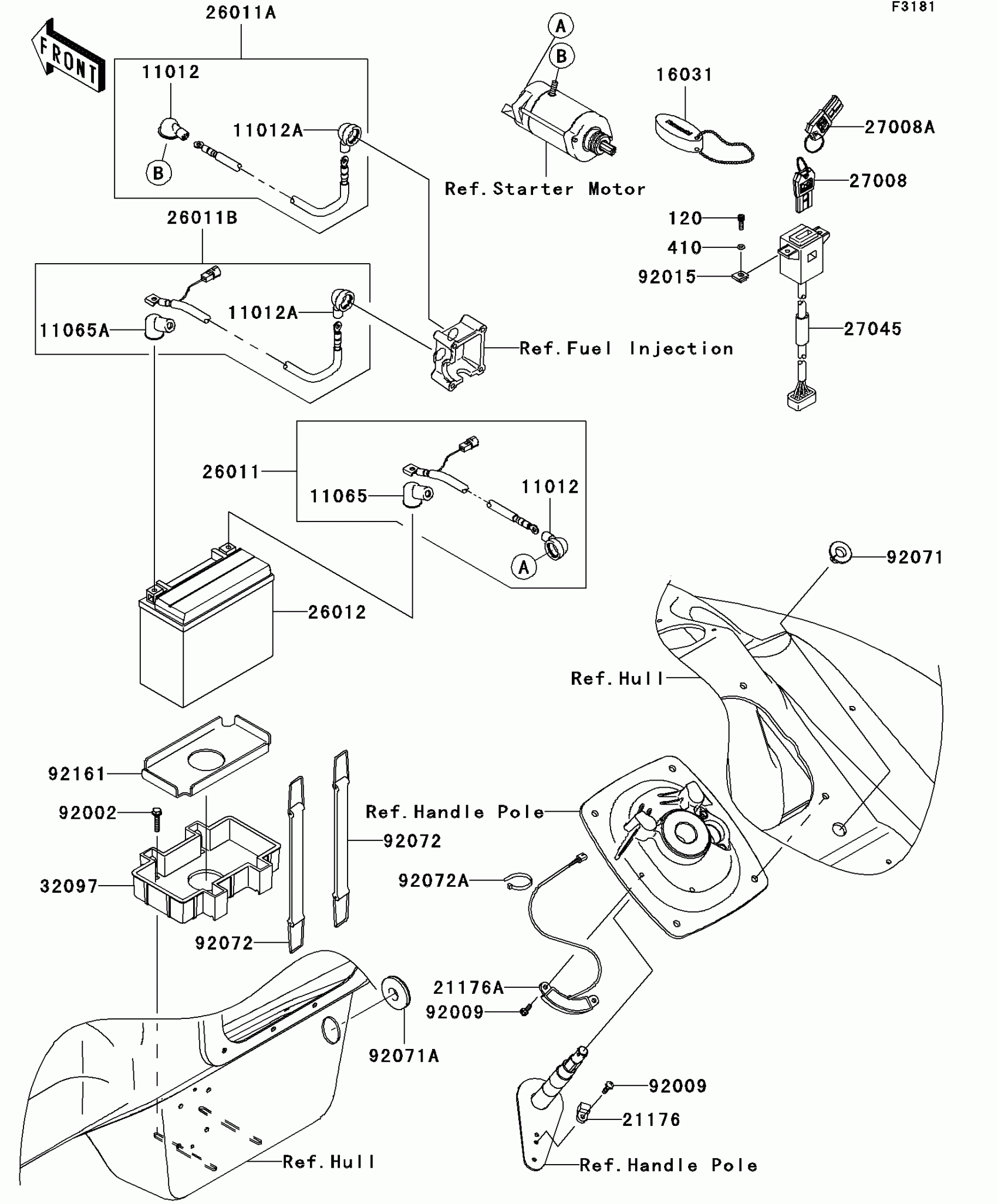
Electrical Equipment
Kawasaki Jet Ski® Ultra® 260X Electrical Equipment Diagram
#
Description
Price
26012
BATTERY,YTX20L-BS,12V 18AH
26012-3730
Unavailable
27008
FPO MODE KEY
27008-3767
Unavailable
27045
SWITCH-ASSY
27045-3755
Unavailable
