Partiron

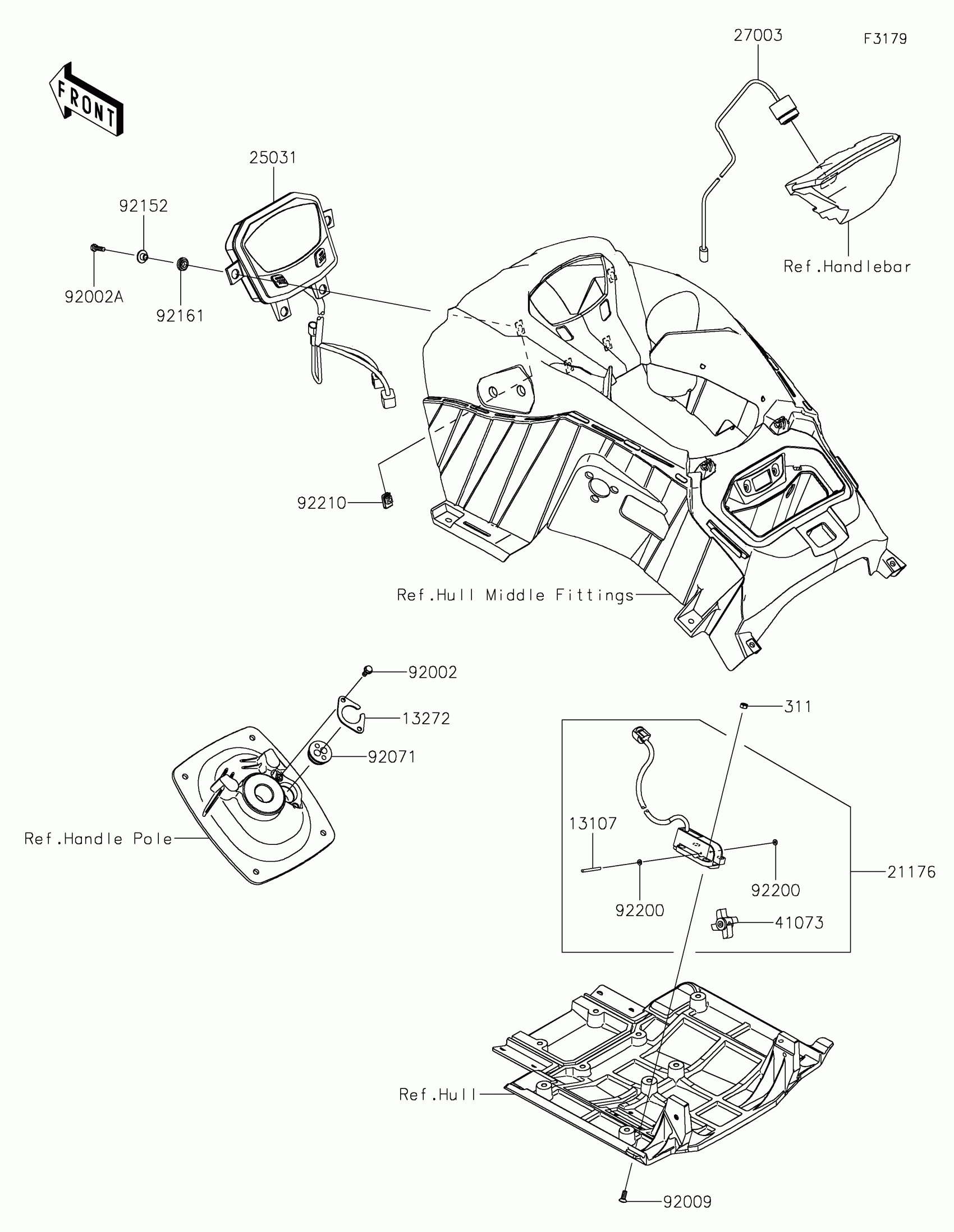
Kawasaki JET SKI® STX®160X Meters Diagram

#

Description
Price

13107

SHAFT

13107-3807

$5.70

13272

PLATE

13272-3729

$14.32

21176

SENSOR,SPEED

21176-3775

$169.59

25031

METER-ASSY

25031-0859

$940.14

27003

HORN

27003-3706

$75.75

311

NUT-HEX,6MM

311R0600

$0.70

41073

WHEEL-ASSY,PADDLE

41073-3701

$16.84

92002

BOLT,6X16

92002-3728

$4.69

92002A

BOLT,6X20

92002-3755

$4.69

92009

SCREW,6X16

92009-3703

$4.31

92071

GROMMET,HARNESS

92071-3790

$9.64

92152

COLLAR

92152-1740

$4.92

92161

DAMPER

92161-0117

$2.90

92200

WASHER

92200-3805

$3.85

92210

NUT,6MM

92210-3768

$5.79