- Partiron
- OEM Parts
- Kawasaki
- watercraft
- 2020
- JET SKI® STX®160LX
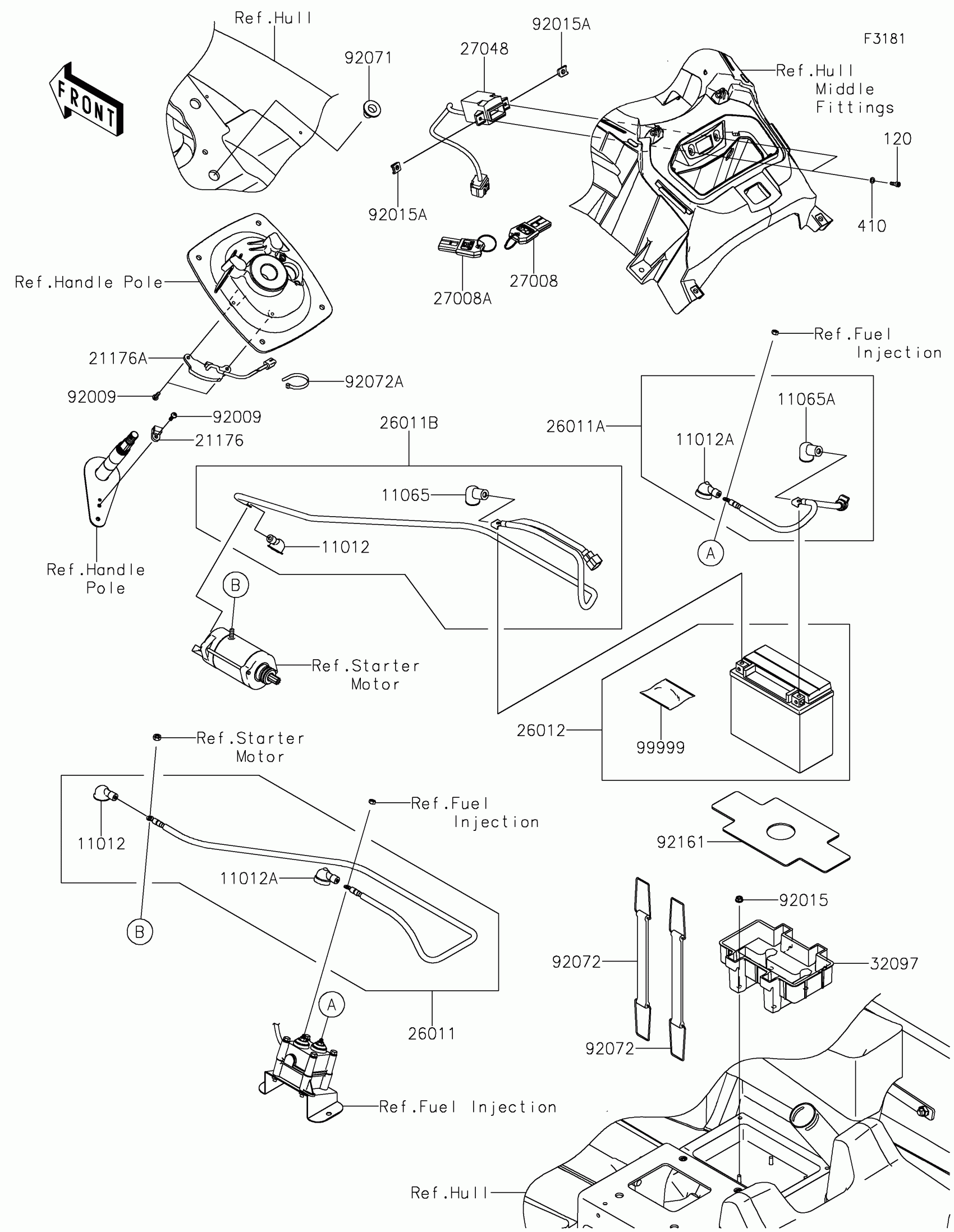
Electrical Equipment
Kawasaki JET SKI® STX®160LX Electrical Equipment Diagram
#
Description
Price
Electrical Equipment
#
Edit ride
