Partiron

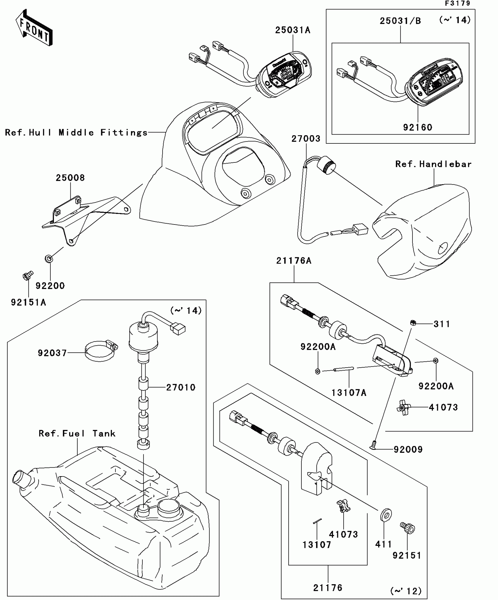
Kawasaki Jet Ski® STX-15F Meters Diagram

#

Description
Price

13107

SHAFT

13107-3754

$6.11

21176

SENSOR,SPEEDOMETER,F.BLACK

21176-3760-6Z

$181.58

25008

BRACKET-METER

25008-3709

$50.01

25031

METER-ASSY,MILE&KM

25031-3754

$1,354.23

27003

HORN

27003-3706

$75.75

27010

SWITCH,FUEL LEVEL

27010-3770

Unavailable

41073

WHEEL-ASSY,PADDLE

41073-3701

$16.84

92037

CLAMP

92037-3009

$3.70

92075

DAMPER

92075-1446

$4.69

92151

BOLT,6X10

92151-3704

$4.20

92151A

BOLT,5X10

92151-3707

$3.32

92160

DAMPER,METER

92160-3881

$13.66

92200

WASHER,5.9X16X1.5

92200-3714

$2.14

411

WASHER-PLAIN,6MM

411S0600

$2.06