Partiron

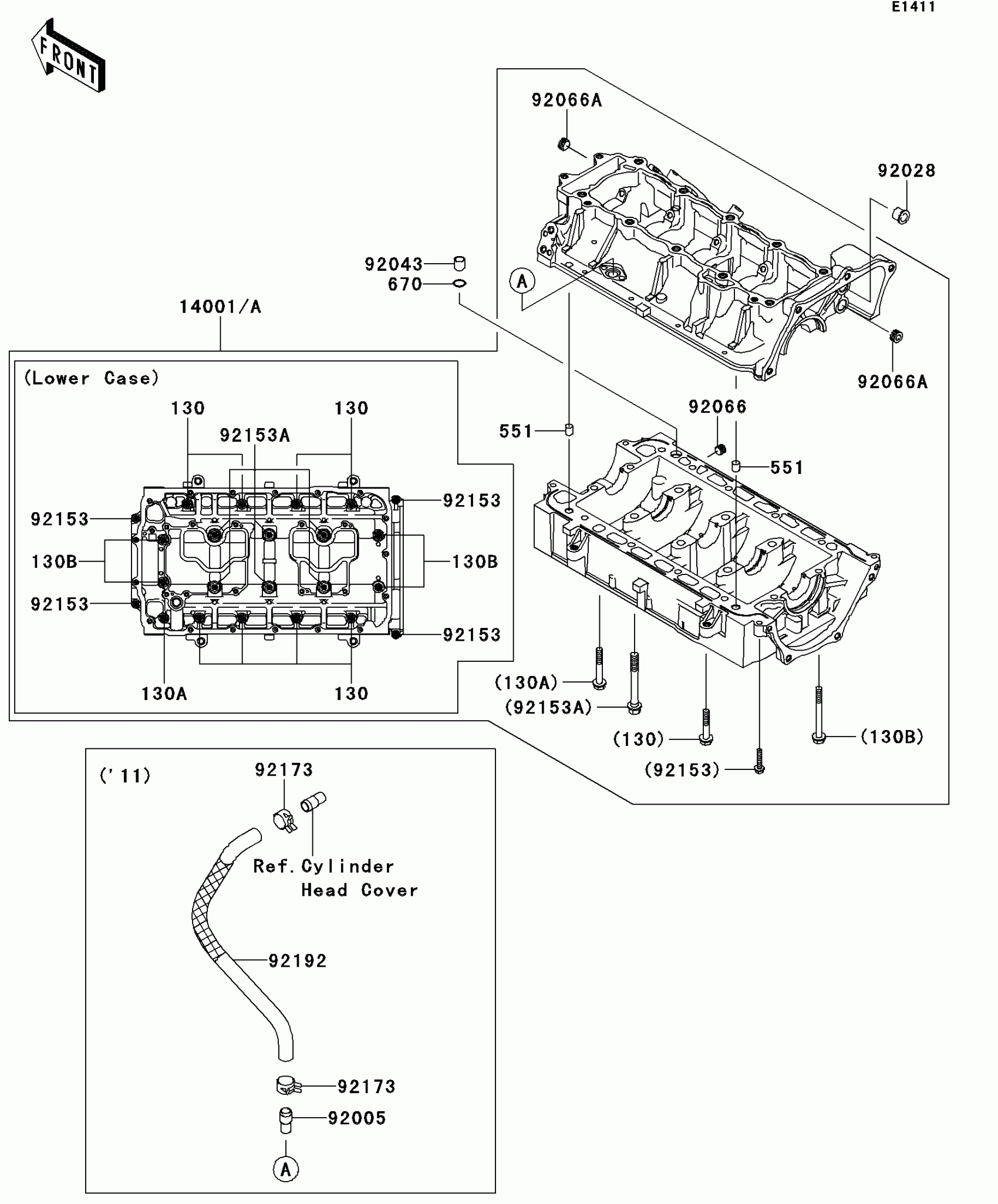
Kawasaki JET SKI® STX®-15F Crankcase Diagram

#

Description
Price

14001

SET-CRANKCASE

14001-0574

$1,564.96

92028

BUSHING

92028-3718

$9.43

92043

PIN,11.5X14X14

92043-1279

$5.00

92066

PLUG

92066-3778

$11.06

92066A

PLUG

92066-3782

$11.06

92153

BOLT,6X30

92153-3707

$3.26

92153A

BOLT,10X85

92153-3711

$14.71

130

BOLT-FLANGED,8X45

130CD0845

$3.97

130A

BOLT-FLANGED,8X55

130CD0855

$6.18

130B

BOLT-FLANGED,8X85

130CD0885

$3.58

551

PIN-DOWEL

551R1012

$6.57

670

O RING,14MM

670D2014

$5.52