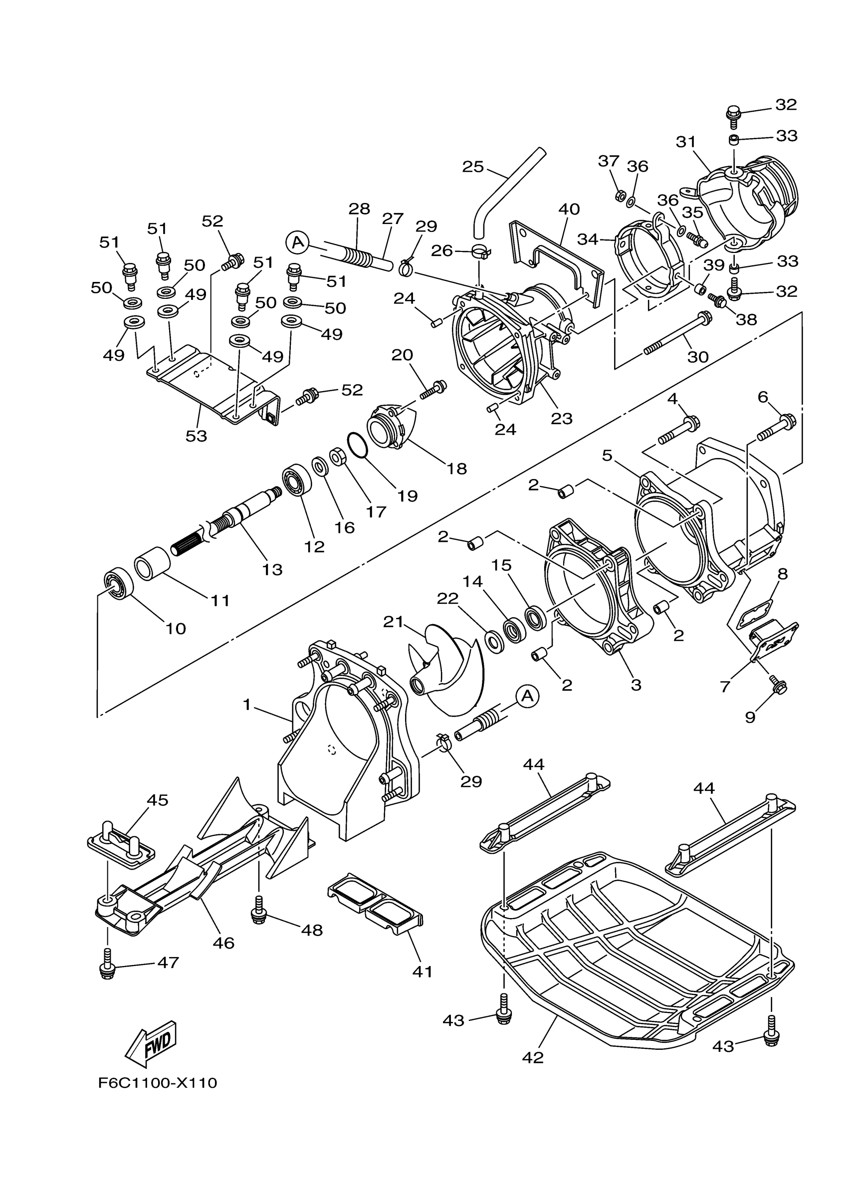
Yamaha JB1050A (JET BLASTER) F6C3 2024 JET UNIT 1 Diagram
#
1
PLATE, TRANSOM
6GA-G5831-00-00
Unavailable
3
HOUSING, IMPELLER 2
6GY-R1317-00-00
Unavailable
4
BOLT, WITH WASHER
90119-10817-00
Unavailable
5
HOUSING, IMPELLER
6GA-R1312-02-00
Unavailable
6
BOLT, WITH WASHER
97595-10565-00
Unavailable
7
FILTER
6GA-G6882-00-00
Unavailable
8
. O-RING
6GA-G2414-00-00
Unavailable
9
BOLT,WITH WASHER
90119-06890-00
Unavailable
10
BEARING
93306-255X9-00
Unavailable
11
SPACER 1
65V-G5538-00-00
Unavailable
12
BEARING
93306-304XB-00
Unavailable
13
SHAFT, DRIVE
6GY-G5511-00-00
Unavailable
14
OIL SEAL
93101-28M66-00
Unavailable
15
OIL SEAL
93101-28002-00
Unavailable
16
958-58204-00 WASHER,PLAIN
92990-16200-00
Unavailable
17
NUT
95317-16700-00
Unavailable
18
CAP
6GY-R1326-00-00
Unavailable
19
. O-RING
93210-44003-00
Unavailable
20
BOLT, HEXAGON SOCKET HEAD
90110-06823-00
Unavailable
21
IMPELLER
6GY-R1321-02-00
Unavailable
22
SPACER
6EY-R1348-00-00
Unavailable
23
NOZZLE
6GY-R1318-00-00
Unavailable
24
PIN, DOWEL (614)
93606-12019-00
Unavailable
25
HOSE 1
6GY-U72M2-00-00
Unavailable
26
BAND, HOSE 18
90601-118UF-00
Unavailable
27
HOSE (L380)
90445-14M25-00
Unavailable
28
HOSE (L230)
90446-20M24-00
Unavailable
29
CLAMP
90465-10098-00
Unavailable
30
BOLT, WITH WASHER
90119-08882-00
Unavailable
31
NOZZLE, DEFLECTOR
6GY-R1313-00-00
Unavailable
32
BOLT, WITH WASHER
90119-08852-00
Unavailable
33
COLLAR(6R7)
90387-08M06-00
Unavailable
34
RING,TRIM
6GY-R1190-00-00
Unavailable
35
STUD, JOINT BALL
6ET-U1461-00-00
Unavailable
36
WASHER,PLATE
90201-068M4-00
Unavailable
37
NUT(650)
95380-06700-00
Unavailable
38
BOLT, WITH WASHER
90119-08841-00
Unavailable
39
COLLAR(6R7)
90387-08M06-00
Unavailable
40
BRACKET
6GA-R1959-00-00
Unavailable
41
SPACER
F3Y-U72C0-00-00
Unavailable
42
PLATE 2
F3Y-U273B-10-00
Unavailable
43
BOLT
F4L-U3222-01-00
Unavailable
44
BRACKET 2
F0V-U8572-10-00
Unavailable
45
BRACKET, 3
F2S-U8577-00-00
Unavailable
46
SCREEN, INTAKE
F4L-R1333-00-00
Unavailable
47
BOLT
F3Y-U1426-01-00
Unavailable
48
BOLT
F3Y-U1426-01-00
Unavailable
49
GASKET
90430-12002-00
Unavailable
50
YBS66-12 WASHER,PLAIN
92990-12200-00
Unavailable
51
BOLT
90109-08043-00
Unavailable
52
BOLT, WITH WASHER
90119-08800-00
Unavailable
53
BRACKET
F4L-U7557-00-00
Unavailable
