Partiron

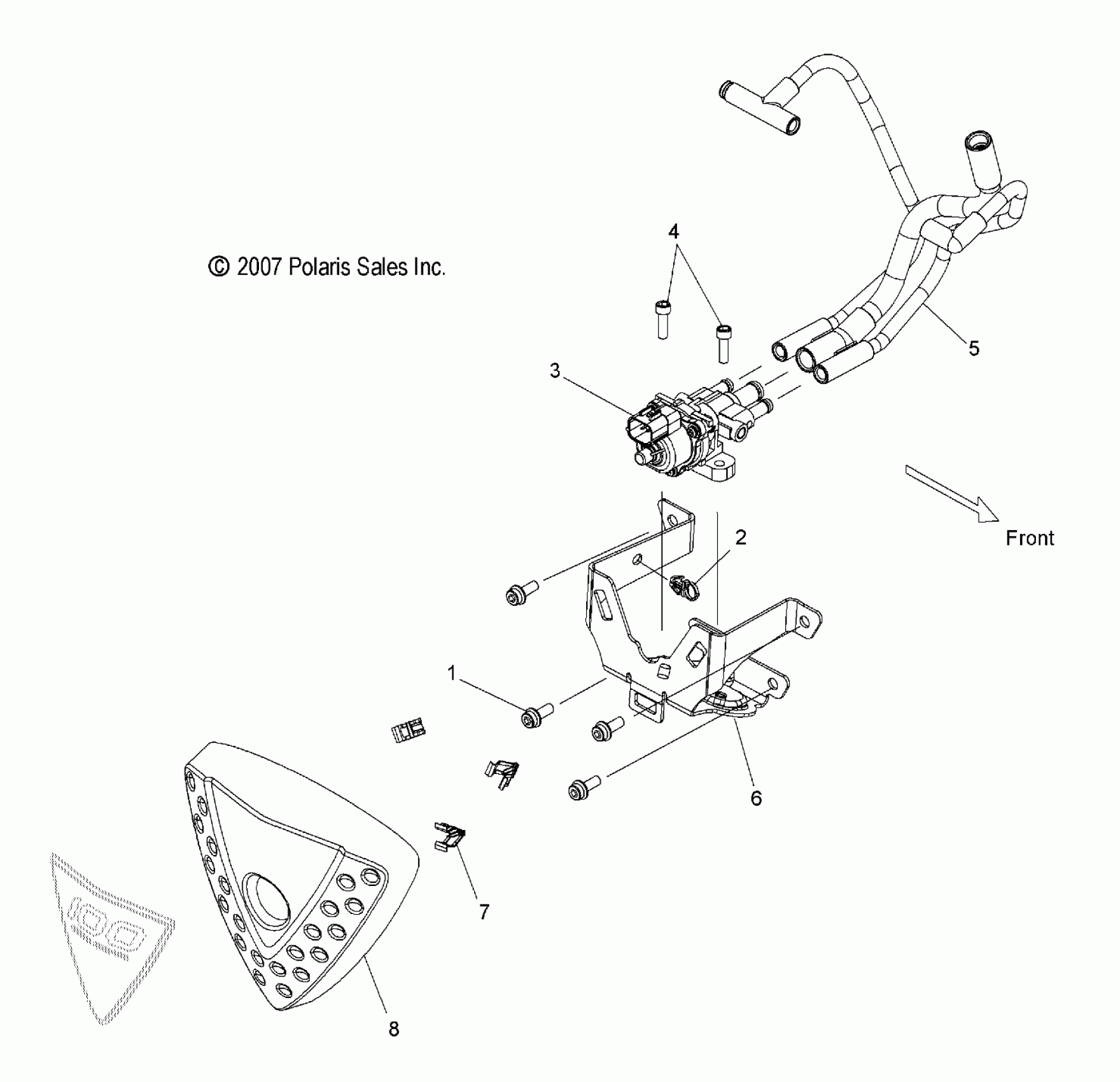
Polaris JACKPOT ALL OPTIONS - V10XB36DAP/LKP/XC36DN ENGINE, IDLE AIR CONTROL - V10XB36DAP/LKP/XC36DN ALL OPTIONS (49VICAIRCONTROL08VEGAS) Diagram

#

Description
Price

1

SCREW

7518803

$3.99

2

CLIP, SNAP IN

7080756

$4.79

3

VALVE, IAC

4011638

$107.99

3

KIT, HARNESS, IAC

2878507

$135.99

4

Screw

7517384

$8.79

5

ASM., TUBE, IAC COMPLETE

1203581

Unavailable

6

Bracket, IAC

5250413

Unavailable

7

CLIP, TINNERMAN

7670136

$2.39

8

Cover, Ignition//coil

5245659

Unavailable