- Partiron
- OEM Parts
- Yamaha
- motorcycle
- 1983
- IT490K (IT490) 1983
GENERATOR
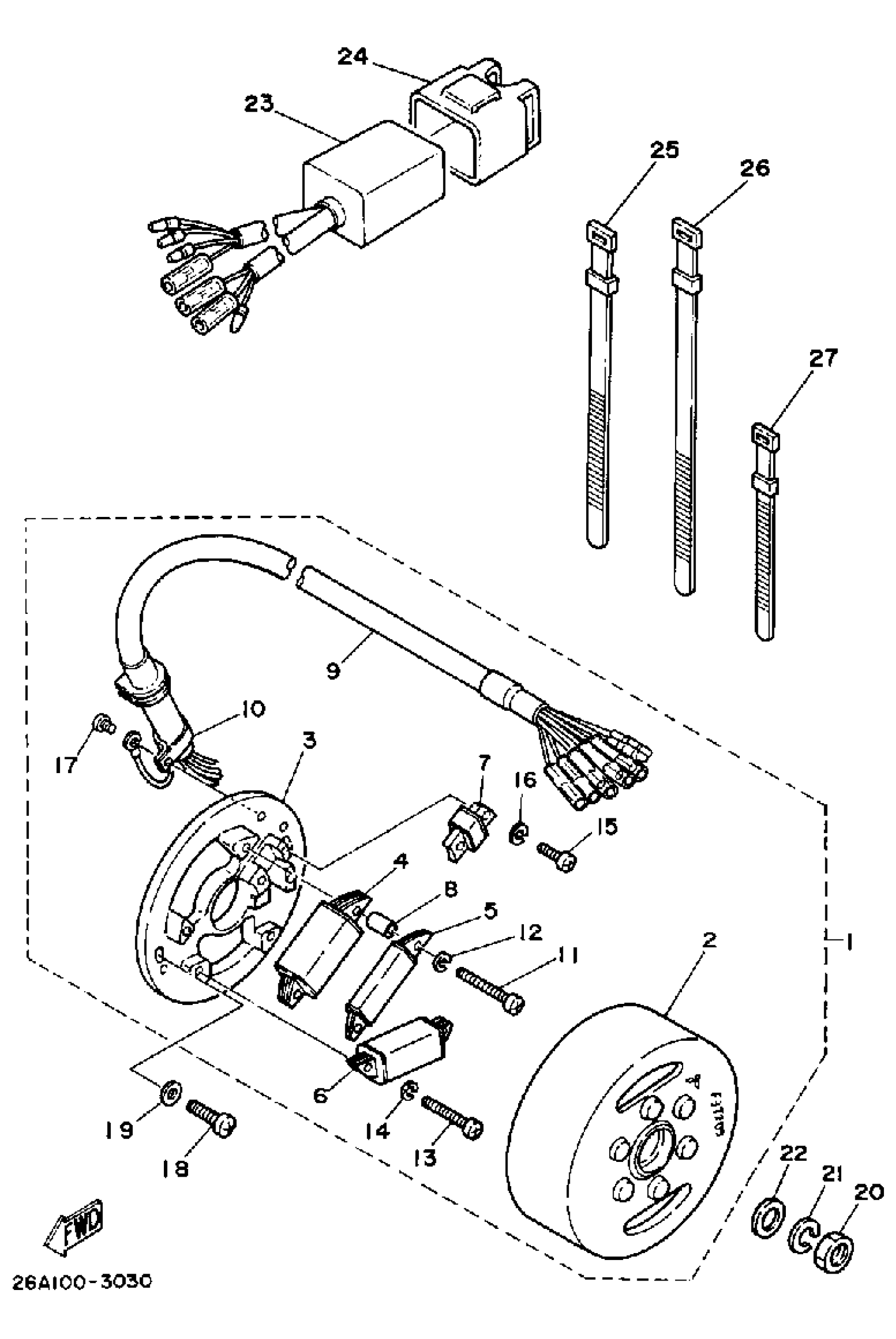
Yamaha IT490K (IT490) 1983 GENERATOR Diagram
#
Description
Price
1
CDI MAGNETO ASSEMBLY
4V6-85500-20-00
Unavailable
2
. ROTOR ASSEMBLY
3R5-85550-20-00
Unavailable
3
. BASE, MAGNETO
3R5-85509-20-00
Unavailable
4
. COIL SOURCE 1
3R5-85511-20-00
Unavailable
5
. COIL SOURCE 2
3R5-85512-20-00
Unavailable
6
. COIL, LIGHTING 1
4V6-85513-20-00
Unavailable
7
. COIL, PULSER
4V6-85580-20-00
Unavailable
8
. SPACER
1W2-85516-20-00
Unavailable
9
LEAD WIRE ASSEMBLY
(4V6-85515-20-00)
Unavailable
13
SCREW, PAN
98507-04030-00
Unavailable
17
SCREW, PAN HEAD(3XP)
98517-04006-00
Unavailable
18
SCREW PAN HEAD
98580-06020-00
Unavailable
19
WASHER, PLATE (4H7)
90201-061A5-00
Unavailable
20
NUT(55K)
90170-12347-00
Unavailable
21
YBS67-12 WASHER,SPRING
92990-12100-00
Unavailable
22
WASHER, PLATE (583)
90201-12593-00
Unavailable
23
CDI UNIT ASSEMBLY
2W6-85540-20-00
Unavailable
24
BAND
2A7-85546-00-00
Unavailable
25
BAND, SWITCH CORD
437-83936-11-00
Unavailable
26
BAND, SWITCH CORD
25G-83936-01-00
Unavailable
27
BAND, SWITCH CORD
437-83936-01-00
Unavailable
