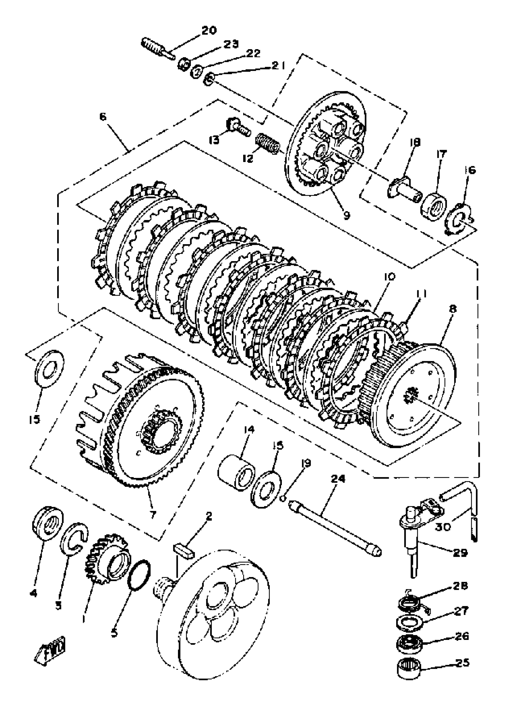
Yamaha IT465H (IT465) 1981 CLUTCH Diagram
#
Description
Price
1
GEAR, PRI DRIVE
3R5-16111-00-00
Unavailable
4
NUT
90170-18089-00
Unavailable
6
CLUTCH ASSEMBLY
(3R5-16300-00-00)
Unavailable
7
. PRI DRVN GEAR (63T)
3R4-16150-00-00
Unavailable
8
BOSS, CLUTCH
3R4-16371-01-00
Unavailable
9
. PLATE, PRESSURE 1
1M1-16351-00-00
Unavailable
14
SPACER 1
2K7-16181-00-00
Unavailable
16
WASHER, LOCK (3Y1)
90215-20159-00
Unavailable
17
NUT (3R4)
90170-20255-00
Unavailable
18
ROD, PUSH 1
3R4-16356-00-00
Unavailable
19
BALL (1M1)
93515-32029-00
Unavailable
20
SCREW (3R4)
90149-08143-00
Unavailable
21
YBS67-8 WASHER, SPRING
92990-08100-00
Unavailable
22
WASHER, PLATE(49E)
90201-087H6-00
Unavailable
23
NUT, HEXAGON SMALL
95317-08700-00
Unavailable
24
ROD, PUSH 2 001
3R5-16357-01-00
Unavailable
25
BRG,CYL-CAL ROLLER 12G KY
93315-21721-00
Unavailable
26
OIL SEAL (17X28X6-101)
93102-17004-00
Unavailable
27
WASHER PLATE 168217580000
90201-18262-00
Unavailable
28
SPRING, TORSION
90508-14423-00
Unavailable
29
PUSH LEVER ASSEMBLY
4V4-16380-00-00
Unavailable
29
PUSH LEVER ASSEMBLY (250H)
4V4-16380-01-00
Unavailable
30
HOSE 001
(90445-08577-00)
Unavailable
30
HOSE (L420)
90445-092K1-00
Unavailable
