- Partiron
- OEM Parts
- Yamaha
- motorcycle
- 1979
- IT400F (IT400) 1979
CRANKCASE
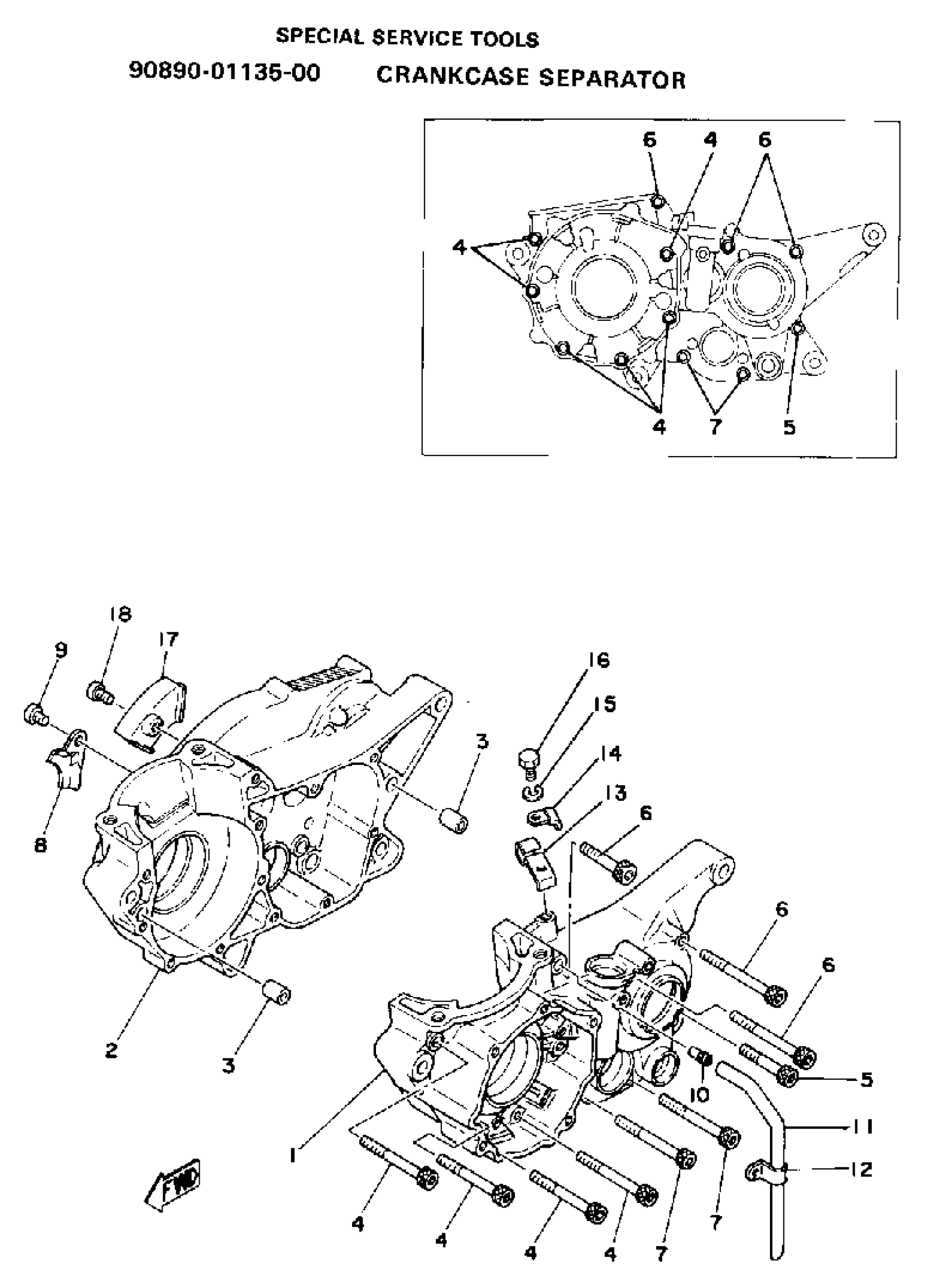
Yamaha IT400F (IT400) 1979 CRANKCASE Diagram
#
Description
Price
1
CRANKCASE 1
2X5-15111-00-00
Unavailable
2
CRANKCASE 2
(2X5-15121-00-00)
Unavailable
8
HOLDER
(2X5-15118-00-00)
Unavailable
10
. CONNECTOR, SUCTION PIPE
137-13115-01-00
Unavailable
11
HOSE
(90445-08346-00)
Unavailable
12
CLAMP
(90462-08043-00)
Unavailable
13
HOLDER, CLCH CABLE
(2K7-15441-02-00)
Unavailable
14
CLAMP
90462-08042-00
Unavailable
15
WASHER, SPRING
92995-06100-00
Unavailable
16
BOLT, HEXAGON DEEP RECESS
97D95-06016-00
Unavailable
17
PLATE
(2K7-15113-00-00)
Unavailable
18
SCREW PAN HEAD
98580-06010-00
Unavailable
