- Partiron
- OEM Parts
- Yamaha
- motorcycle
- 1977
- IT400D (IT400D) 1977
CD I MAGNETO
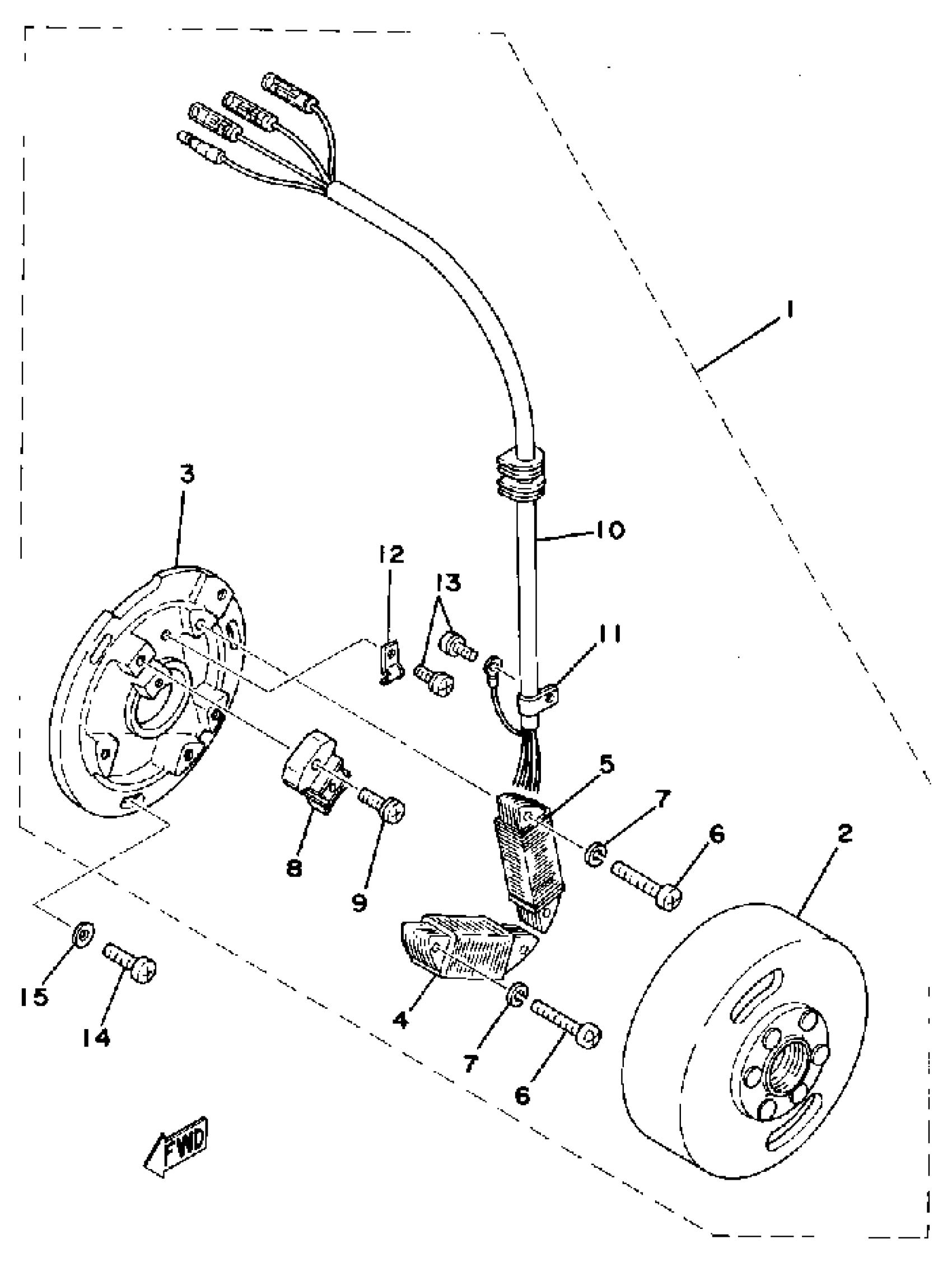
Yamaha IT400D (IT400D) 1977 CD I MAGNETO Diagram
#
Description
Price
1
CDI MAGNETO ASSEMBLY
(1W5-85500-20-00)
Unavailable
1
CDI MAGNETO ASSEMBLY
(1W6-85500-20-00)
Unavailable
2
ROTOR ASSEMBLY
(1M2-85550-21-00)
Unavailable
2
ROTOR ASSEMBLY
(1W4-85550-20-00)
Unavailable
3
. BASE, MAGNETO
1M2-85509-20-00
Unavailable
4
. COIL SOURCE 2
1M2-85512-20-00
Unavailable
4
. COIL SOURCE 2
1W4-85512-20-00
Unavailable
5
. NO LONGER AVAILABLE
1W5-85513-20-00
Unavailable
5
COIL, LIGHTING 1
(1W6-85513-20-00)
Unavailable
8
. COIL, PULSER
1M2-85580-20-00
Unavailable
9
SCREW, PAN HEAD
98517-04025-00
Unavailable
10
LEAD WIRE ASSEMBLY
(1W6-85515-20-00)
Unavailable
12
CLAMP, LEAD
(445-85528-20-00)
Unavailable
13
SCREW, PAN HEAD(3XP)
98517-04006-00
Unavailable
14
SCREW PAN HEAD
98580-06020-00
Unavailable
15
WASHER, PLAIN (646)
92990-06600-00
Unavailable
