- Partiron
- OEM Parts
- Yamaha
- motorcycle
- 1976
- IT400C (IT400) 1976
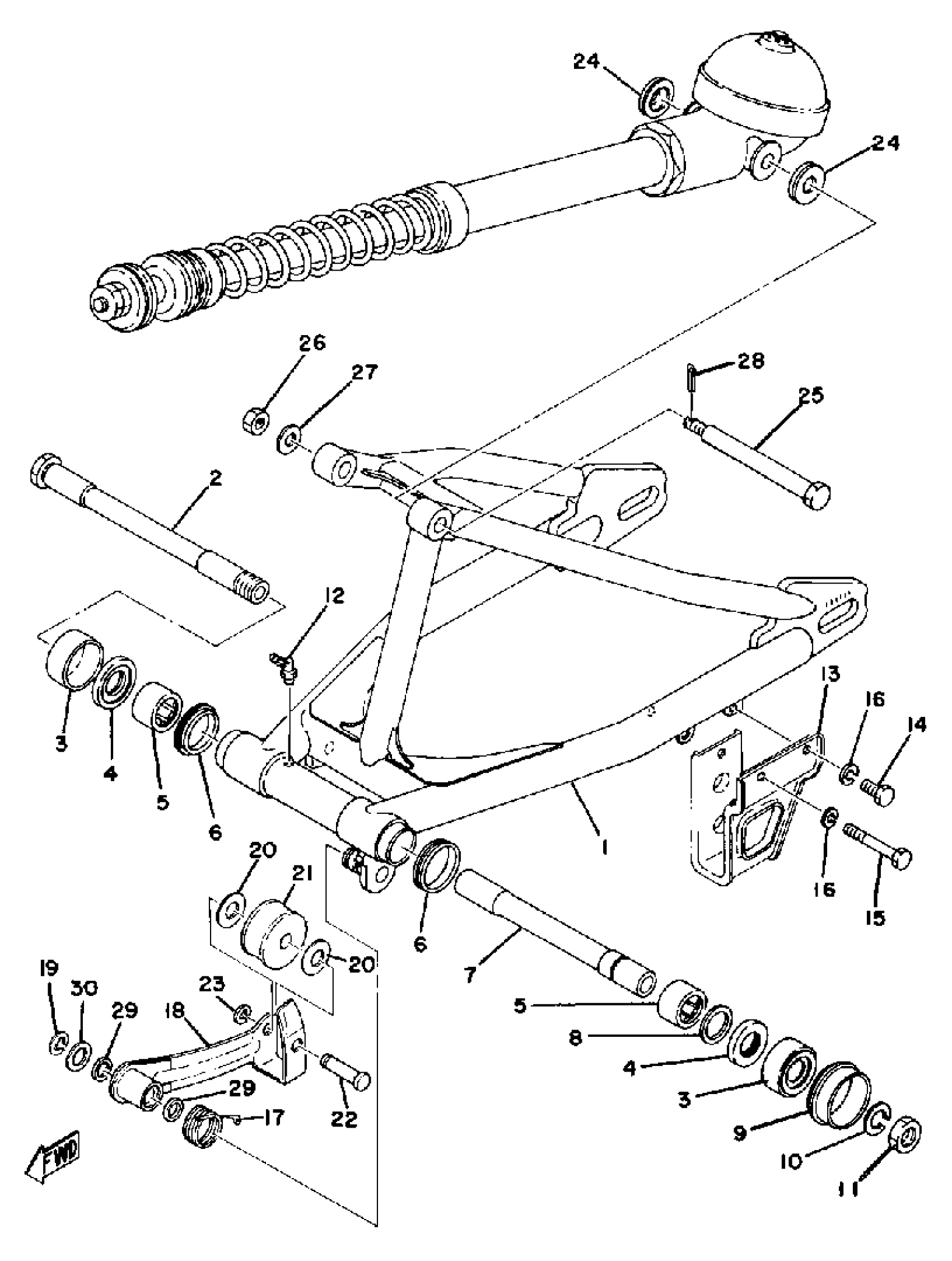
REAR ARM
Yamaha IT400C (IT400) 1976 REAR ARM Diagram
#
Description
Price
1
REAR ARM
(509-22110-00-33)
Unavailable
2
SHAFT, PIVOT
1W4-22141-00-00
Unavailable
2
WASHER, SPRING
92995-06100-00
Unavailable
3
THRUST COVER (483-22129-00)
99999-00938-00
Unavailable
7
BUSH 2
483-22124-00-00
Unavailable
8
SHIM (90201-22284)
648-45533-00-02
Unavailable
10
WASHER, SPRING
92995-06100-00
Unavailable
11
NUT
90170-16111-00
Unavailable
12
NIPPLE, GREASE
93700-06005-00
Unavailable
13
GUARD, CHAIN
2W6-22153-00-00
Unavailable
14
BOLT(8CP)
97017-06014-00
Unavailable
15
BOLT, HEXAGON W/W DEEP RECESS
97E95-06555-00
Unavailable
16
WASHER, SPRING
92995-06100-00
Unavailable
17
SPRING, TORSION
(90508-32322-00)
Unavailable
18
ARM, TENSIONER
(1K7-22179-01-00)
Unavailable
19
CIRCLIP (137)
93430-10015-00
Unavailable
20
WASHER, PLATE(3GM)
90201-106M5-00
Unavailable
21
TENSIONER
1K7-22178-01-00
Unavailable
22
SHAFT 1
1K7-22121-01-00
Unavailable
23
CIRCLIP (137)
93430-08007-00
Unavailable
24
COVER, THRUST 1
483-22128-00-00
Unavailable
25
BOLT
90109-08300-00
Unavailable
26
NUT(6L2)
95333-08600-00
Unavailable
27
WASHER, PLATE (8L8)
90201-087A9-00
Unavailable
28
PIN, COTTER
91490-20025-00
Unavailable
29
OIL SEAL (2K8)
93109-14021-00
Unavailable
30
WASHER, PLAIN (434)
90201-14411-00
Unavailable
