- Partiron
- OEM Parts
- Yamaha
- motorcycle
- 1983
- IT250K (IT250) 1983
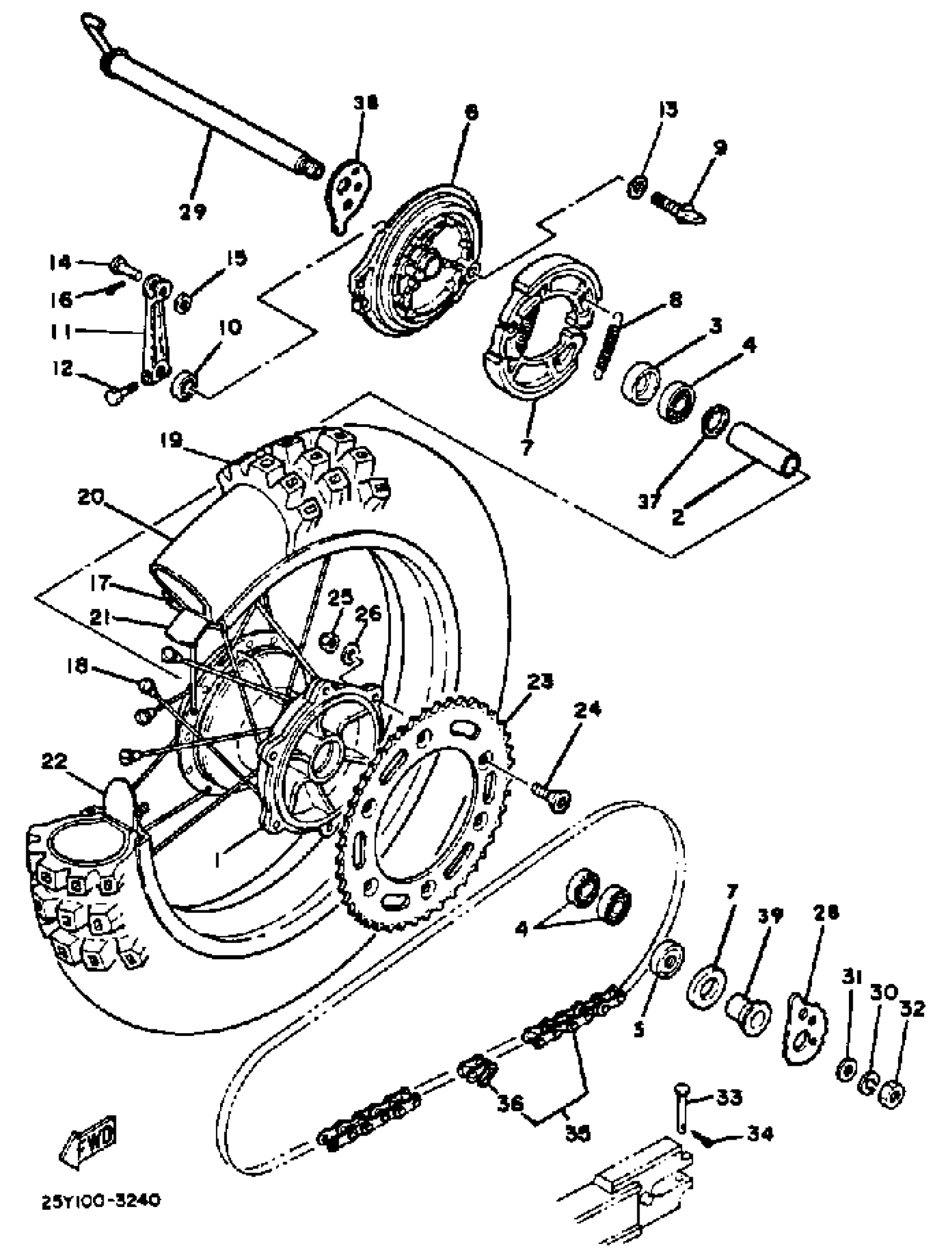
REAR WHEEL
Yamaha IT250K (IT250) 1983 REAR WHEEL Diagram
#
1
HUB, REAR
4V4-25311-00-98
Unavailable
2
SPACER
90560-20226-00
Unavailable
6
PLATE, BRAKE SHOE
4V5-25321-01-98
Unavailable
9
CAMSHAFT
5L4-25351-00-00
Unavailable
11
. LEVER, CAMSHAFT (168-25355-00)
4V5-25355-00-00
Unavailable
14
PIN, CLEVIS
1W2-27237-00-00
Unavailable
16
PIN, COTTER(6L5)
91490-25030-00
Unavailable
17
RIM 2.50X18
94425-18358-00
Unavailable
18
SPOKE SET, REAR
4V4-25304-00-00
Unavailable
19
140/90-18 M2A TT
94114-186G1-00
Unavailable
20
TUBE
94245-18125-00
Unavailable
21
BAND, RIM (2J4)
94340-18086-00
Unavailable
22
SPACER, BEAD
2X5-25394-00-00
Unavailable
23
SPROCKET, DRIVEN (42T)
26A-25442-51-00
Unavailable
23
SPROCKET, DRIVEN
26A-25444-51-00
Unavailable
23
SPROCKET, DRIVEN
26A-25446-51-00
Unavailable
23
SPROCKET, DRIVEN
26A-25448-51-00
Unavailable
23
SPROCKET, DRIVEN
26A-25450-51-00
Unavailable
23
SPROCKET, DRIVEN (52T)
26A-25452-51-00
Unavailable
24
BOLT, HEX SKT HEAD
90110-08038-00
Unavailable
25
NUT, SELF-LOCKING (3Y2)
90185-08089-00
Unavailable
26
WASHER, PLATE(3XP)
90201-086P8-00
Unavailable
27
COVER, HUB DUST
4V4-25367-00-00
Unavailable
28
PULLER, CHAIN 1
4V5-25388-01-00
Unavailable
29
AXLE, WHEEL
4V5-25381-00-00
Unavailable
30
WASHER(N15)
92907-18100-00
Unavailable
31
WASHER(3JP)
92903-20600-00
Unavailable
32
NUT
90179-18332-00
Unavailable
33
PIN, CLEVIS
91701-05045-00
Unavailable
34
PIN, COTTER
91490-16020-00
Unavailable
35
CHAIN (25Y)
94581-08112-00
Unavailable
36
. JOINT, CHAIN (34L) (DID50HDS)
94680-50011-00
Unavailable
37
FLANGE, SPACER
4V4-25315-00-00
Unavailable
38
PULLER, CHAIN 2
4V5-25389-00-00
Unavailable
39
COLLAR
90387-201E6-00
Unavailable
