- Partiron
- OEM Parts
- Yamaha
- motorcycle
- 1982
- IT250J (IT250) 1982
REAR SUSPENSION
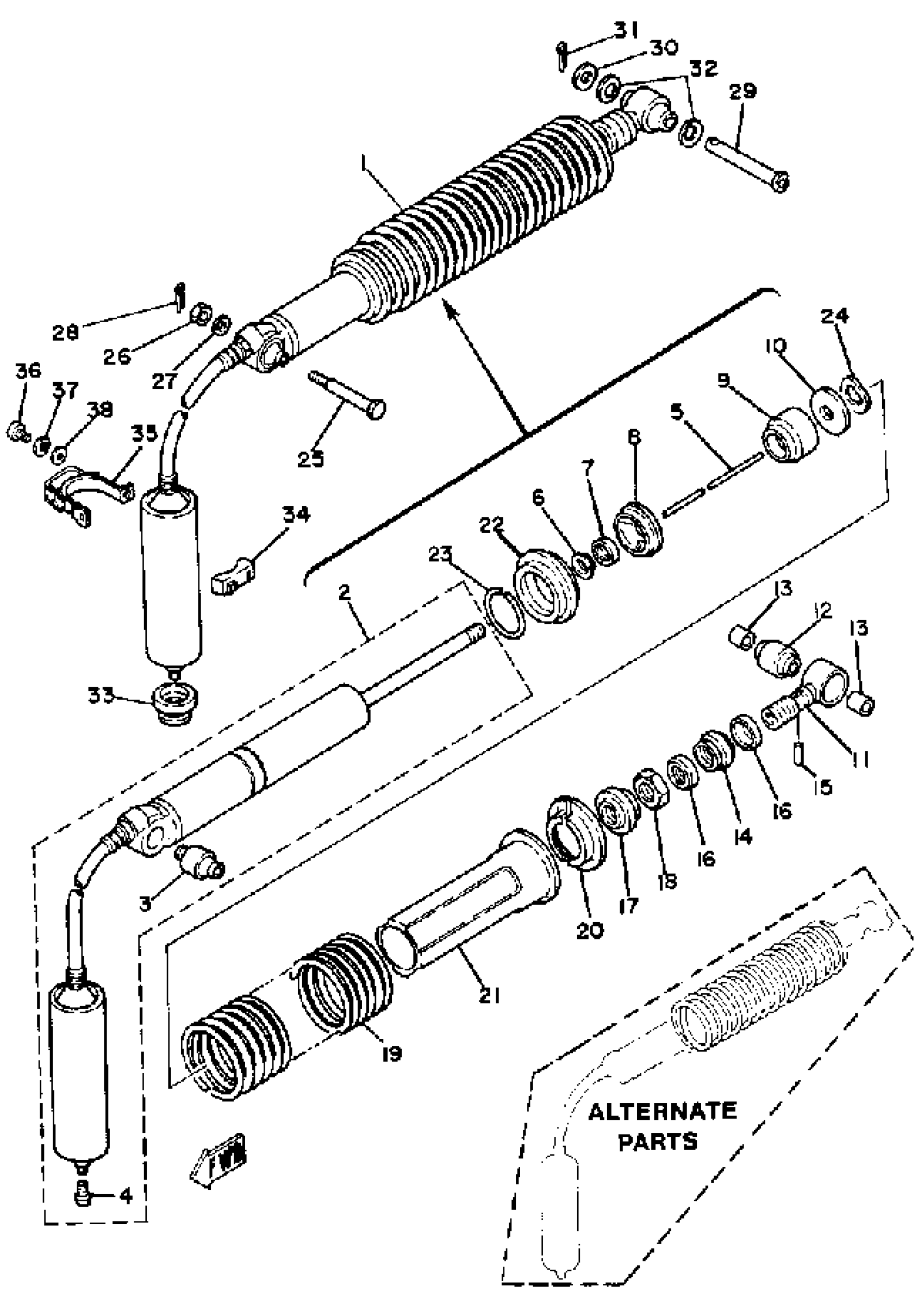
Yamaha IT250J (IT250) 1982 REAR SUSPENSION Diagram
#
1
SHK/ABS ASSEMBLY, REAR
(4V5-22210-00-00)
Unavailable
2
DAMPER SUB-ASSEMBLY.
(4V5-22401-00-00)
Unavailable
3
BUSH, REAR SHOCK ABSORBER
1YW-22216-00-00
Unavailable
4
SCREW, PAN HEAD(3XP)
98517-04006-00
Unavailable
5
ROD, PUSH
(3R4-22489-00-00)
Unavailable
6
SEAL,DUST
23X-22475-01-00
Unavailable
7
SEAL,DUST
23X-22475-01-00
Unavailable
8
. CAP, CASE 001
26A-22472-00-00
Unavailable
9
BUMP, STOP
(1W1-22493-00-00)
Unavailable
10
. SUPPORT, BUMP STOP
3R4-22228-00-00
Unavailable
11
. UPPER BRKT SUB ASSEMBLY
3R4-22409-00-00
Unavailable
12
BUSH, REAR SHOCK ABSORBER
3R4-22226-00-00
Unavailable
14
. NUT, ADJUSTING
5X3-22497-00-00
Unavailable
15
. PIN, DOWEL
93604-26132-00
Unavailable
16
. COVER
3R4-22221-01-00
Unavailable
17
. SEAT, SPRING UPPER
3R4-22213-00-00
Unavailable
18
NUT, HEXAGON (29L)
90170-20320-00
Unavailable
19
. NO LONGER AVAILABLE
4V5-22212-00-00
Unavailable
19
SPRING, MXS SOFT
(4V5-22212-10-00)
Unavailable
19
. SPRING, MXS HARD
4V5-22212-20-00
Unavailable
20
GUIDE, SPRING 1
3P6-22214-10-00
Unavailable
21
. GUIDE, SPRING 2
3R4-22224-00-00
Unavailable
22
. SEAT, SPRING LOWER
3R4-22223-00-00
Unavailable
23
. CIRCLIP, OUTER
93440-50078-00
Unavailable
24
. WASHER, WAVE
90206-14067-00
Unavailable
25
BOLT (1M1)
90109-10453-00
Unavailable
26
NUT (682)
95380-10700-00
Unavailable
27
WASHER (7A9)
90201-100F7-00
Unavailable
28
PIN, COTTER
91490-20025-00
Unavailable
29
PIN, CLEVIS
90240-12074-00
Unavailable
30
WASHER, PLATE(663)
92990-12600-00
Unavailable
31
PIN, COTTER
91490-30030-00
Unavailable
32
COVER, THRUST
1W1-22128-00-00
Unavailable
33
GROMMET (3R4)
90480-22263-00
Unavailable
34
DAMPER, SUB TANK
3R4-22261-00-00
Unavailable
35
HOLDER, SUB TANK (250H)
4V4-22262-01-00
Unavailable
36
SCREW, PAN
98507-06014-00
Unavailable
37
WASHER, SPRING
92995-06100-00
Unavailable
38
WASHER, PLAIN (646)
92990-06600-00
Unavailable
