- Partiron
- OEM Parts
- Yamaha
- motorcycle
- 1980
- IT250G (IT250) 1980
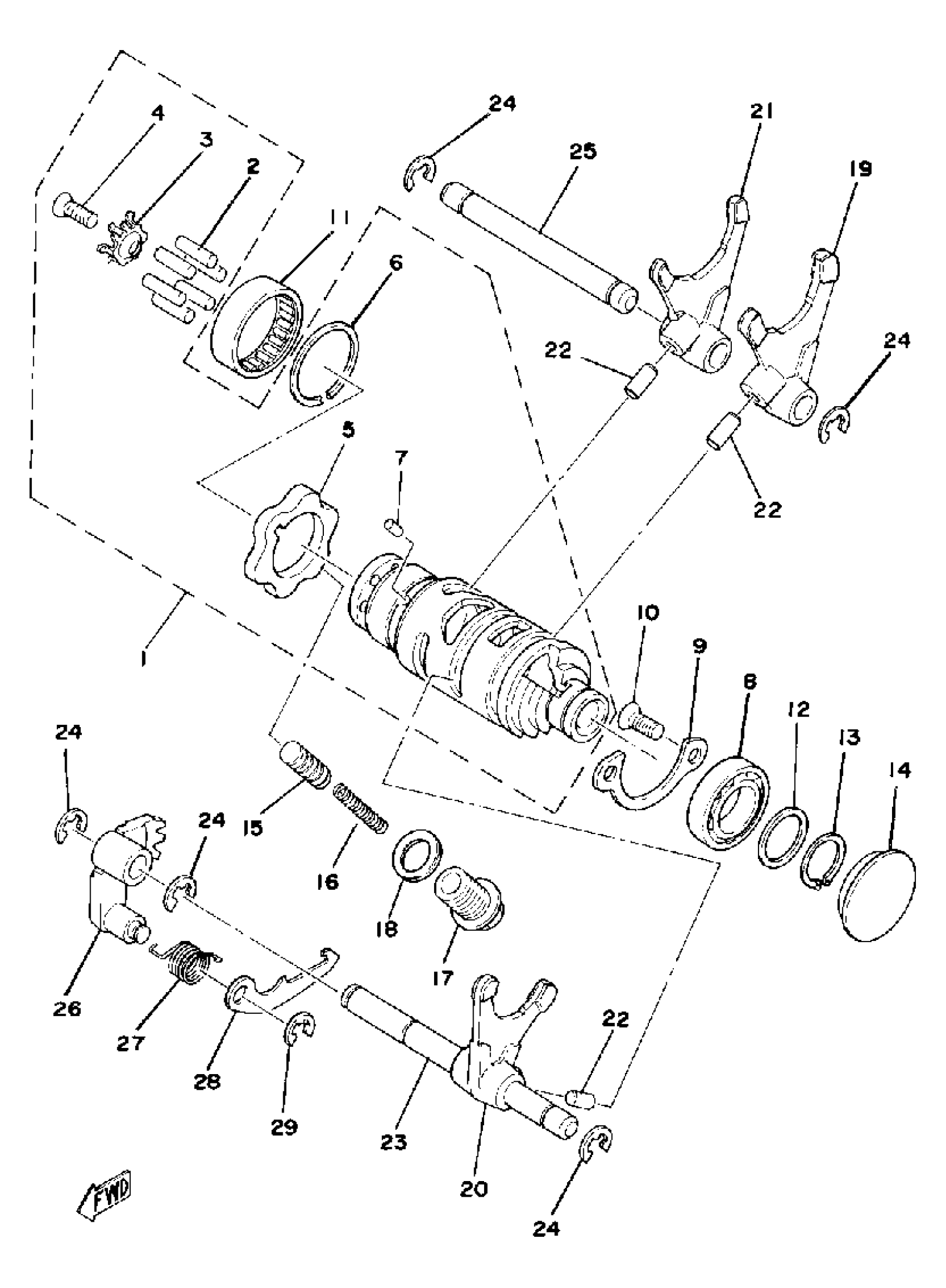
SHIFT CAM-FORK
Yamaha IT250G (IT250) 1980 SHIFT CAM-FORK Diagram
#
Description
Price
1
SHIFT CAM ASSEMBLY (2K7-18541-00)
2K7-18540-00-00
Unavailable
5
PLATE, STOPPER
2K7-18141-00-00
Unavailable
6
CIRCLIP, OUTER (32V SPECIAL)
93440-32017-00
Unavailable
9
PLATE, BRNG COVER
(2K7-15381-00-00)
Unavailable
10
SCREW, OVAL HEAD (92701-06012)
98603-06012-00
Unavailable
12
WASHER, PLATE
90201-20613-00
Unavailable
14
PLUG, SPEC''L SHAPE
(90338-32086-00)
Unavailable
15
STOPPER, CAM
353-18547-00-00
Unavailable
16
SPRING COMPRESSION278185570000
90501-10062-00
Unavailable
17
BOLT (1K8)
90109-14485-00
Unavailable
18
GASKET
214-11198-01-00
Unavailable
19
FORK, SHIFT 1
2K7-18511-00-00
Unavailable
20
FORK, SHIFT 2
2K7-18512-00-00
Unavailable
21
FORK, SHIFT 3
(2K7-18513-00-00)
Unavailable
22
PIN, DOWEL (3R4)
93606-14154-00
Unavailable
23
BAR, SHIF FRK GDE 1
(2K7-18531-00-00)
Unavailable
24
CIRCLIP(2R6)
99001-08600-00
Unavailable
25
BAR, SHIF FRK GDE 2
2K7-18535-01-00
Unavailable
26
LEVER, SHIFT 2 (2K7-18122-00)
2K7-18122-01-00
Unavailable
27
SPRING, TORSION
(90508-10386-00)
Unavailable
28
LEVER, CHANGE 3
2K7-18151-00-00
Unavailable
29
CIRCLIP
99080-07600-00
Unavailable
