- Partiron
- OEM Parts
- Yamaha
- motorcycle
- 1980
- IT250G (IT250) 1980
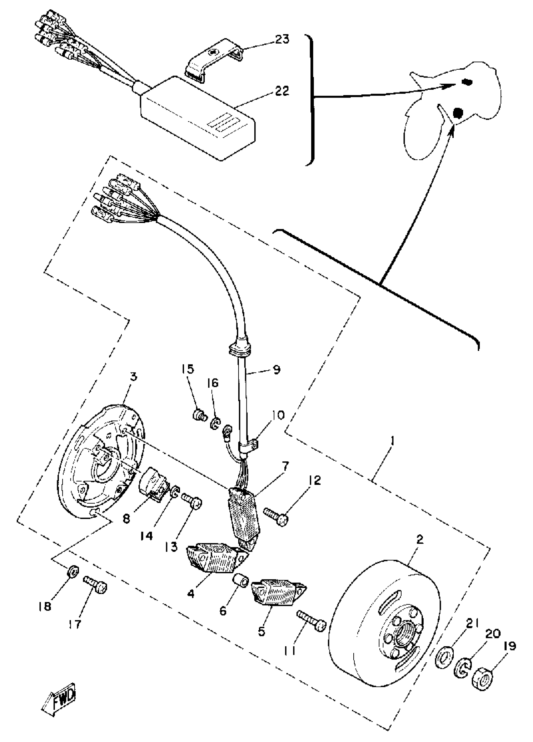
C - D - I - MAGNETO
Yamaha IT250G (IT250) 1980 C - D - I - MAGNETO Diagram
#
Description
Price
1
CDI MAGNETO ASSEMBLY
(3R7-85500-20-00)
Unavailable
2
ROTOR ASSEMBLY
(1W4-85550-20-00)
Unavailable
3
. BASE, MAGNETO
1M2-85509-20-00
Unavailable
4
COIL SOURCE 1
(3R7-85511-20-00)
Unavailable
5
. COIL SOURCE 2
3R7-85512-20-00
Unavailable
6
SPACER
(3R7-85519-20-00)
Unavailable
7
COIL, LIGHTING 1
(3R7-85513-20-00)
Unavailable
8
COIL, PULSER
(3R7-85580-20-00)
Unavailable
9
LEAD WIRE ASSEMBLY
(3R7-85515-20-00)
Unavailable
10
CLAMP, READ
445-81328-20-00
Unavailable
15
SCREW, PAN HEAD(3XP)
98517-04006-00
Unavailable
17
SCREW PAN HEAD
98580-06020-00
Unavailable
18
WASHER, PLAIN (646)
92990-06600-00
Unavailable
19
NUT(55K)
90170-12347-00
Unavailable
20
YBS67-12 WASHER,SPRING
92990-12100-00
Unavailable
21
WASHER, PLATE (583)
90201-12593-00
Unavailable
22
CDI UNIT ASSEMBLY
3R7-85540-20-00
Unavailable
23
BAND, BATTERY
26L-82131-00-00
Unavailable
