- Partiron
- OEM Parts
- Yamaha
- motorcycle
- 1979
- IT250F (IT250) 1979
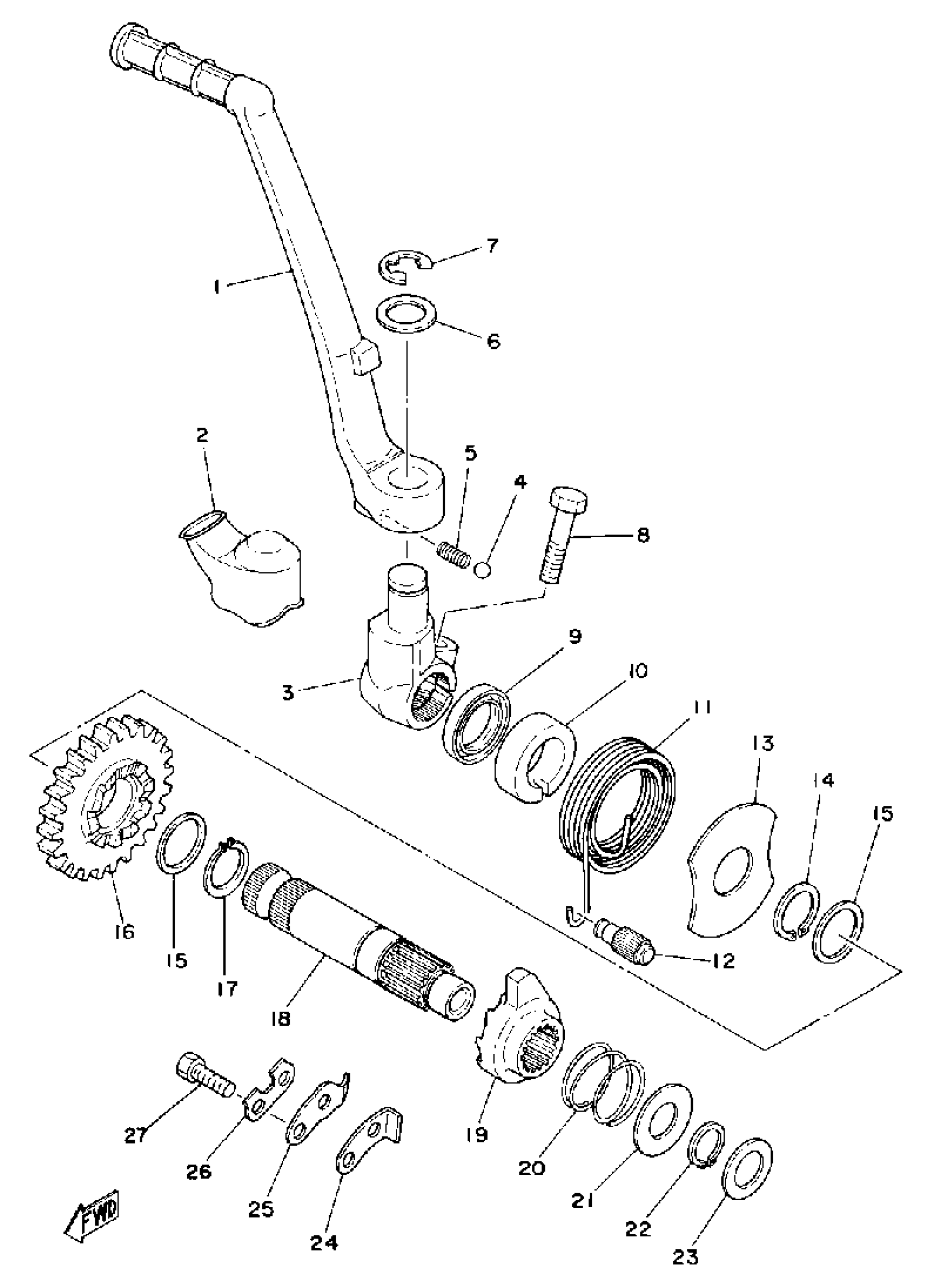
KICK STARTER
Yamaha IT250F (IT250) 1979 KICK STARTER Diagram
#
Description
Price
1
CRANK, KICK (2K7-15611-00-33)
2K7-15611-00-00
Unavailable
2
COVER, KICK LEVER
2K7-15618-00-00
Unavailable
10
GUIDE, SPRING
3Y6-15664-00-00
Unavailable
16
PIN, DOWEL
93608-30152-00
Unavailable
17
CIRCLIP (525)
93410-20038-00
Unavailable
18
AXLE, KICK
(2K7-15661-01-00)
Unavailable
19
WHEEL, RATCHET
2K7-15671-01-00
Unavailable
20
SPRING COMPRESSION168156750000
90501-16107-00
Unavailable
21
WASHER, PLAIN (1JL)
90201-155K6-00
Unavailable
22
CIRCLIP(1AR)
99009-15400-00
Unavailable
23
SHIM
132-15644-00-00
Unavailable
24
STOPPER
2NX-15668-00-00
Unavailable
25
GUIDE, RATCHET WHEEL
2NX-15674-00-00
Unavailable
26
WASHER, LOCK
214-15686-00-00
Unavailable
27
BOLT, HEXAGON DEEP RECESS
97D95-06016-00
Unavailable
