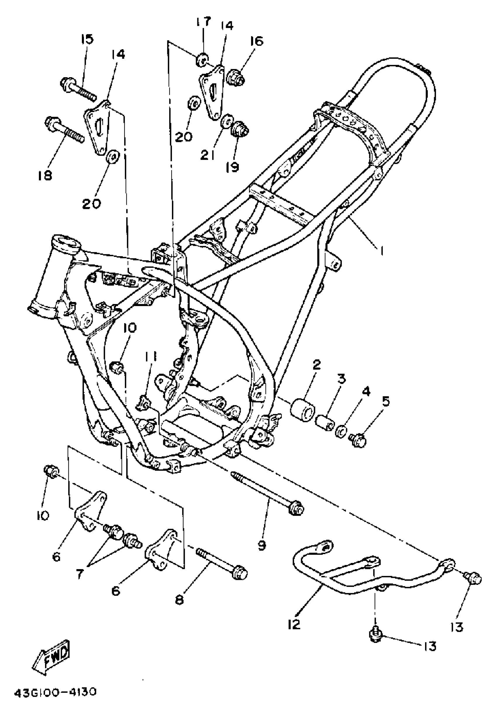
Yamaha IT200S (IT200) 1986 FRAME Diagram
#
Description
Price
1
UNAVAILABLE IN PRICE BOOK
[43-G2111-00-03
Unavailable
6
BRACKET, ENGINE 2
24X-21419-01-00
Unavailable
9
BOLT, WASHER BASED
90105-08326-00
Unavailable
11
WASHER, CLAW
90214-09019-00
Unavailable
12
GUARD, ENGINE 1
(43G-2147A-00-00)
Unavailable
14
BRACKET, REAR UPR 1UPPER 1
43G-21425-00-00
Unavailable
17
WASHER 6464313202
90202-08022-00
Unavailable
18
BOLT, FLANGE(8AB)
95817-10050-00
Unavailable
19
NUT, SELF-LOCKING
90185-10170-00
Unavailable
20
WASHER, PLATE (3J6)
90201-100A1-00
Unavailable
21
958-69527-00 WASHER, PLAIN
92990-10200-00
Unavailable
