- Partiron
- OEM Parts
- Yamaha
- motorcycle
- 1984
- IT200L (IT200) 1984
REAR SUSPENSION
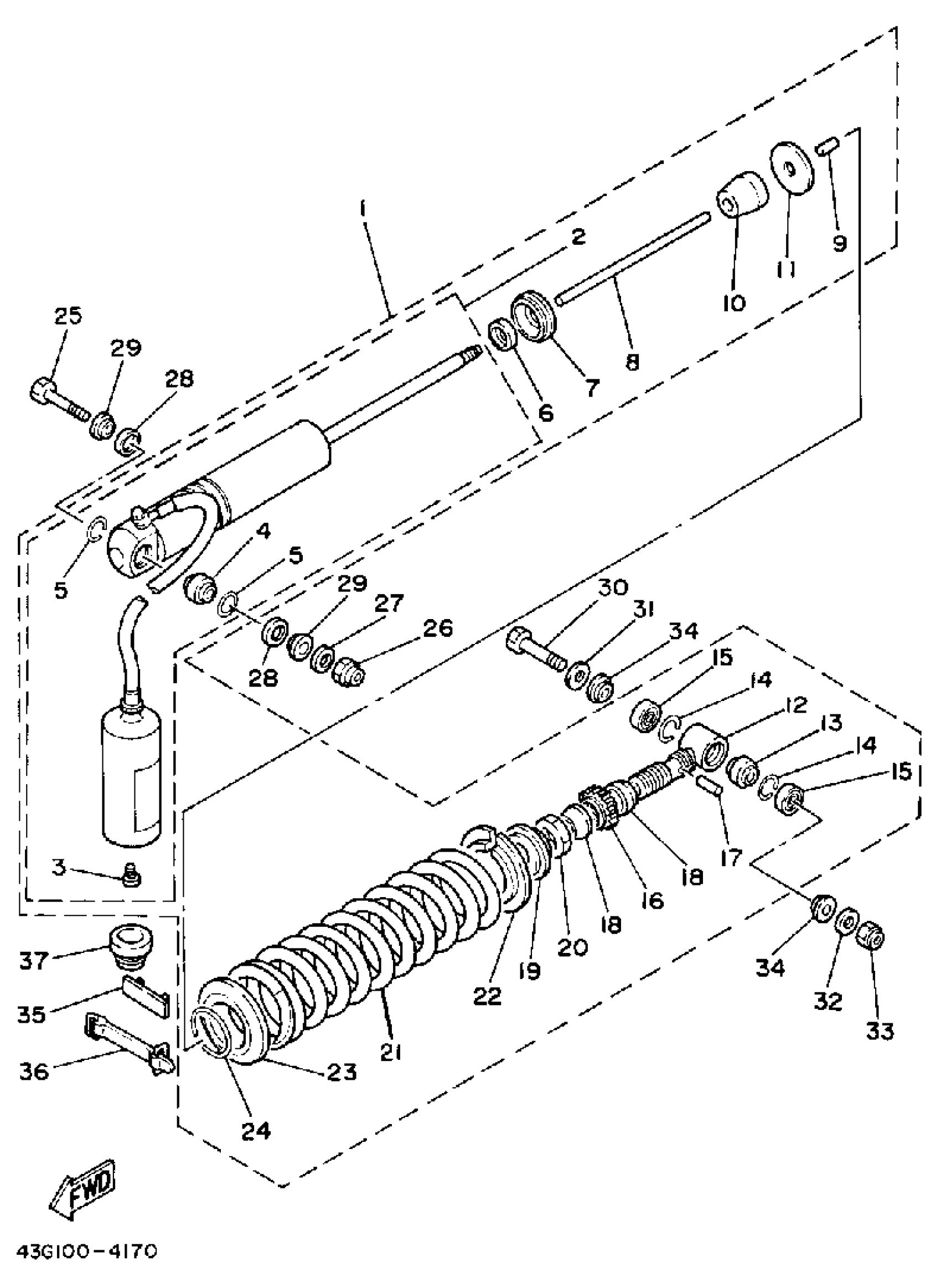
Yamaha IT200L (IT200) 1984 REAR SUSPENSION Diagram
#
1
SHK/ABS ASSEMBLY, REARASSEMBLY, REAR
1TY-22210-00-26
Unavailable
2
. DAMPER SUB-ASSEMBLY
43G-22401-00-00
Unavailable
3
SCREW, PAN HEAD(3XP)
98517-04006-00
Unavailable
6
. SEAL, DUST
29L-22475-00-00
Unavailable
7
. CAP, CASE
39K-22472-00-00
Unavailable
8
. ROD, PUSH
39W-22489-00-00
Unavailable
9
. PIN, DOWEL
93604-21193-00
Unavailable
10
. BUMP, STOP
39X-22493-00-00
Unavailable
11
. SUPPORT, BUMP STOP
5X2-22228-00-00
Unavailable
12
UPPER BRACKET SUB ASSEMBLY
(39W-22409-00-00)
Unavailable
16
. NUT, ADJUSTING
5X3-22497-00-00
Unavailable
17
. PIN, DOWEL
93604-26132-00
Unavailable
18
. COVER
3R4-22221-01-00
Unavailable
19
. SEAT, SPRING UPPER
3R4-22213-00-00
Unavailable
20
NUT, HEXAGON (29L)
90170-20320-00
Unavailable
21
. SPRING, MXS STD (K=55)
43G-22212-00-26
Unavailable
21
SPRING, MXS SOFT
(43G-22212-10-26)
Unavailable
21
SPRING, MXS HARD (K=6.0)
43G-22212-20-26
Unavailable
22
GUIDE, SPRING 1
3P6-22214-10-00
Unavailable
23
. SEAT, SPRING LOWER
38V-22223-00-00
Unavailable
24
CIRCLIP, OUTER
(93440-45135-00)
Unavailable
25
BOLT
90109-10704-00
Unavailable
26
NUT, SELF LOCKING (23X)
90185-10120-00
Unavailable
27
WASHER (7A9)
90201-100F7-00
Unavailable
28
COVER
23X-22211-00-00
Unavailable
29
COLLAR (23X)
90387-127G8-00
Unavailable
30
BOLT
90109-10700-00
Unavailable
31
WASHER, PLATE
90201-12027-00
Unavailable
32
WASHER, PLATE(6TC)
90201-10M05-00
Unavailable
33
NUT, SELF LOCKING (23X)
90185-10120-00
Unavailable
34
COLLAR (23X)
90387-126H8-00
Unavailable
35
DAMPER, SUB TANK
24X-22261-00-00
Unavailable
36
HOLDER, SUB TANK
24X-22262-00-00
Unavailable
37
GROMMET (3R4)
90480-22263-00
Unavailable
