- Partiron
- OEM Parts
- Yamaha
- motorcycle
- 1982
- IT175J (IT175) 1982
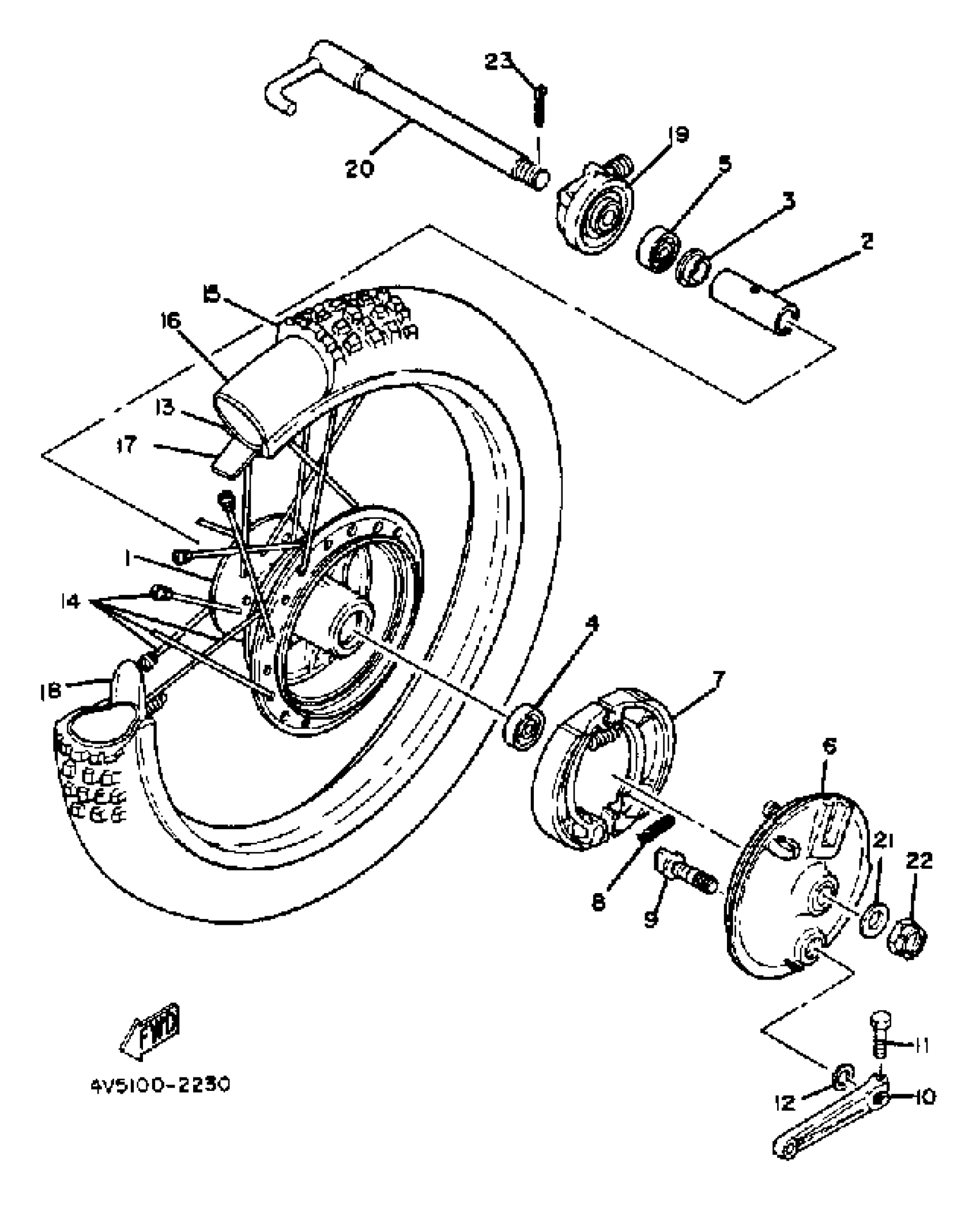
FRONT WHEEL
Yamaha IT175J (IT175) 1982 FRONT WHEEL Diagram
#
Description
Price
1
HUB, FRONT
23X-25111-00-98
Unavailable
2
SPACER
90560-15116-00
Unavailable
6
BRAKE SHOE PLT ASSEMBLY (1W1-25121-02-98)
1W1-25016-11-98
Unavailable
8
SPRING (5T9)
90506-17328-00
Unavailable
9
CAMSHAFT
23X-25151-00-00
Unavailable
10
LEVER, CAMSHAFT 1
322-25155-00-00
Unavailable
12
SEAL, CAMSHAFT
137-25159-00-00
Unavailable
13
RIM 1.60X21
94416-21234-00
Unavailable
14
SPOKE SET, FRONT
2W6-25104-02-00
Unavailable
15
90/90-21 M2E 1RC
94109-210G1-00
Unavailable
16
TUBE
94230-21126-00
Unavailable
17
BAND, RIM
(94330-21088-00)
Unavailable
18
SPACER, BEAD
1T1-25194-00-00
Unavailable
19
GEAR UNIT ASSY
3XP-25190-00-00
Unavailable
20
. AXLE, WHEEL
43F-25181-00-00
Unavailable
20
. WASHER, PLATE
90201-15423-00
Unavailable
20
AXLE, WHEEL
(99999-01618-00)
Unavailable
21
WASHER, PLATE (3Y2)
90201-15785-00
Unavailable
22
NUT, CASTLE(2UJ)
90171-14056-00
Unavailable
23
PIN, COTTER
91490-30030-00
Unavailable
