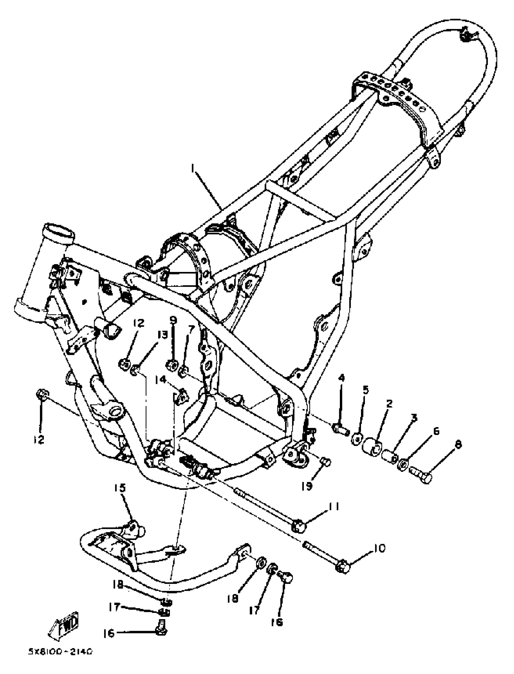
Yamaha IT175J (IT175) 1982 FRAME Diagram
#
Description
Price
1
FRAME
(5X8-21110-00-33)
Unavailable
4
SHAFT
3R3-2148A-00-00
Unavailable
7
WASHER, PLATE
90201-08638-00
Unavailable
8
BOLT, HEXAGON
97013-08050-00
Unavailable
11
BOLT, WASHER BASED
90105-08473-00
Unavailable
13
WASHER, PLAIN
92990-08200-00
Unavailable
14
WASHER, CLAW
90214-09019-00
Unavailable
15
GUARD, ENGINE 1
5X8-2147A-00-00
Unavailable
16
BOLT(JA9)
90101-08691-00
Unavailable
17
YBS67-8 WASHER, SPRING
92990-08100-00
Unavailable
18
.. WASHER, PLATE
92990-08600-00
Unavailable
19
PLUG
90338-12131-00
Unavailable
