- Partiron
- OEM Parts
- Yamaha
- motorcycle
- 1981
- IT175H (IT175) 1981
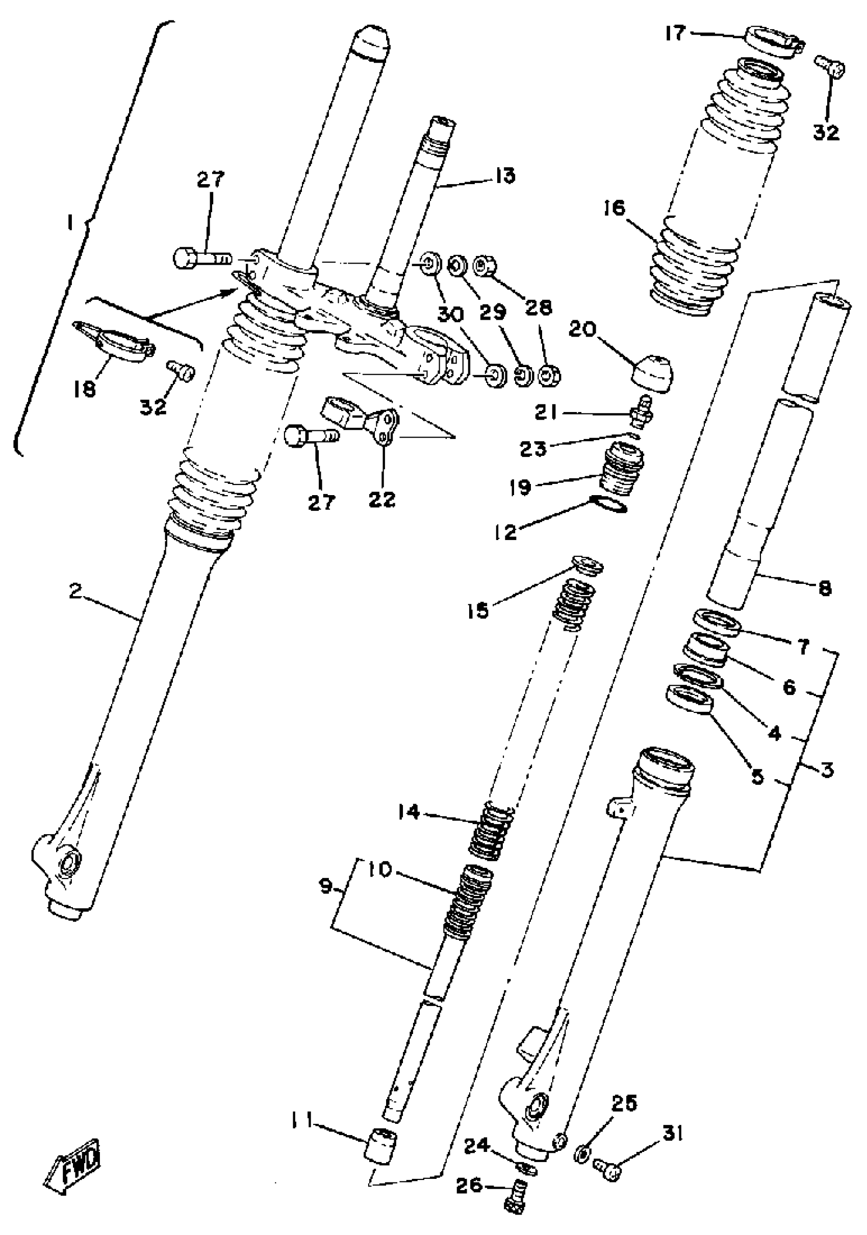
FRONT FORK
Yamaha IT175H (IT175) 1981 FRONT FORK Diagram
#
1
FRONT FORK ASSEMBLY
(3R6-23101-L0-00)
Unavailable
2
TUBE, OUTER 2
(3R6-23136-L0-00)
Unavailable
3
TUBE, OUTER 1
(3R6-23126-L0-00)
Unavailable
6
. SEAL, DUST
509-23144-L0-00
Unavailable
7
. COVER, DUST SEAL
3R8-23148-L0-00
Unavailable
8
INNER TUBE 1
(3R6-23110-L0-00)
Unavailable
9
CYLINDER, FRTFRK
(3R6-23170-L0-00)
Unavailable
10
.. SPRING, REBOUND
2X7-23151-00-00
Unavailable
11
. SPINDLE, TAPER
39K-23173-00-00
Unavailable
13
UNDER BRACKET
(2X7-23340-00-33)
Unavailable
14
SPRING, FRTFRK SOFT
(3R6-23141-10-00)
Unavailable
14
SPRING, FRTFRK HARD
(3R6-23141-20-00)
Unavailable
14
. SPRING, FRONT FORK
3R6-23141-L0-00
Unavailable
15
. SEAT, SPRING UPPER
1W1-23142-L0-00
Unavailable
16
. BOOT, FRONT FORK
2X3-23191-M0-00
Unavailable
17
BAND, BOOT
341-92090-60-00
Unavailable
18
. BAND
48Y-23192-00-00
Unavailable
19
. BOLT, CAP
1W1-23111-L0-00
Unavailable
20
. COVER, VALVE
1W1-23185-L0-00
Unavailable
21
. AIR VALVE
509-23190-L0-00
Unavailable
22
GUIDE, WIRE
3R4-23389-00-00
Unavailable
23
. O-RING
509-23163-L0-00
Unavailable
24
GASKET
509-23158-L0-00
Unavailable
25
GASKET, DRAIN PLUG
122-23129-00-00
Unavailable
26
BOLT, HEXAGON SOCKET HEAD
3D8-23181-00-00
Unavailable
27
BOLT (1E6)
90101-08340-00
Unavailable
28
NUT(6L2)
95333-08600-00
Unavailable
29
YBS67-8 WASHER, SPRING
92990-08100-00
Unavailable
30
.. WASHER, PLATE
92990-08600-00
Unavailable
31
SCREW, PAN HEAD(3XP)
98517-04006-00
Unavailable
32
SCREW
509-23194-L0-00
Unavailable
