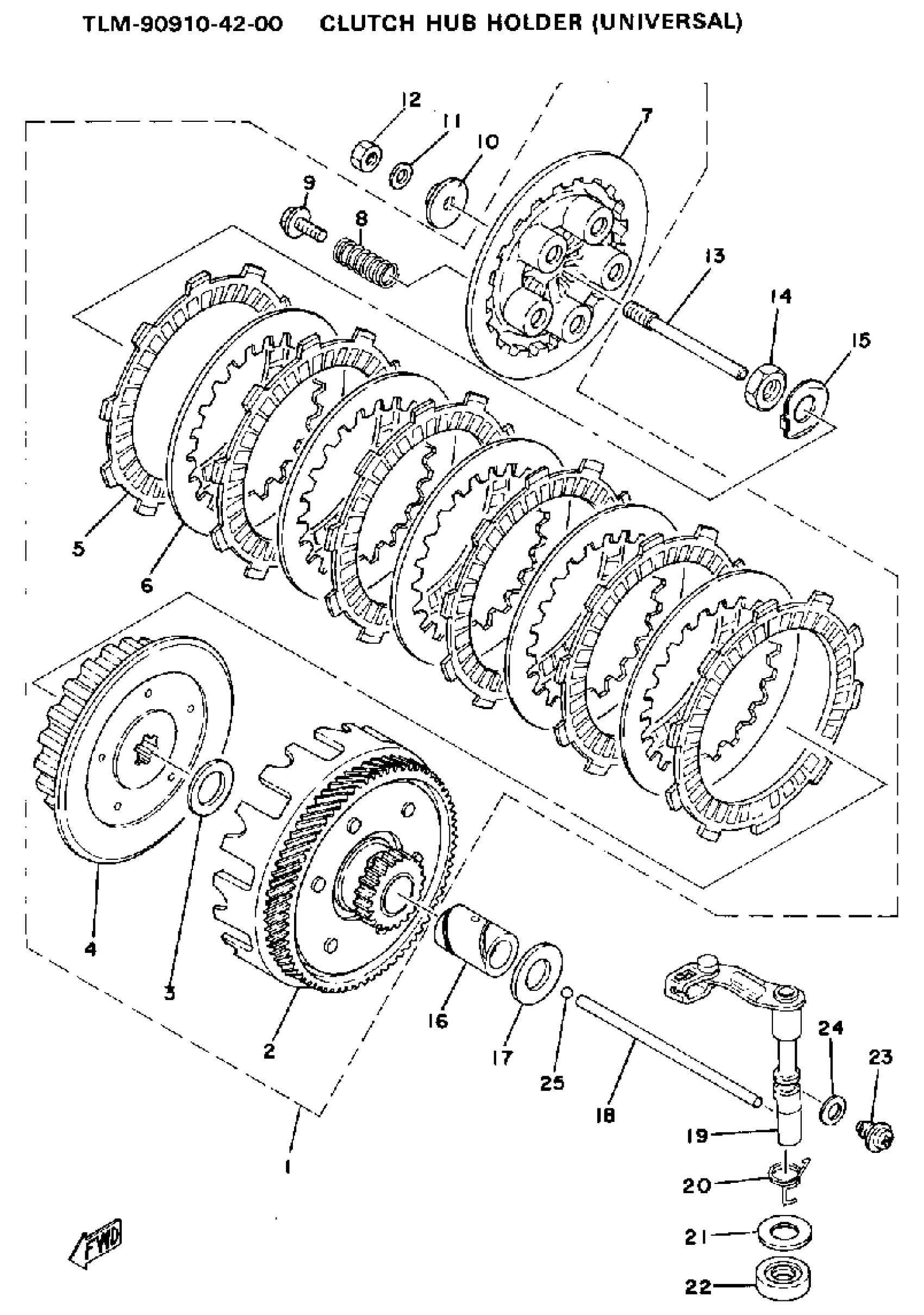
Yamaha IT175F (IT175) 1979 CLUTCH Diagram
#
Description
Price
1
CLUTCH ASSEMBLY
(1W1-16301-01-00)
Unavailable
2
. PRIMARY DRIVEN GEAR COMP (71T)
1W1-16150-01-00
Unavailable
4
. BOSS, CLUTCH
1G8-16371-00-00
Unavailable
7
. PLATE, PRESSURE 1
1W1-16351-00-00
Unavailable
12
NUT, HEXAGON
95380-06600-00
Unavailable
13
ROD, PUSH
1W1-16356-02-00
Unavailable
16
SPACER (525)
90560-17147-00
Unavailable
18
ROD, PUSH 2
1W1-16357-00-00
Unavailable
19
PUSH LEVER ASSEMBLY
(1W1-16380-00-00)
Unavailable
20
SPRING, TORSION (1W1)
90508-20345-00
Unavailable
21
WASHER PLATE 150251530000
90201-14217-00
Unavailable
22
OIL SEAL (14X25X5-2H7)
93104-14059-00
Unavailable
23
SCREW (1M1)
90149-08108-00
Unavailable
24
GASKET(3AJ)
90430-08204-00
Unavailable
25
BALL
93503-16003-00
Unavailable
