- Partiron
- OEM Parts
- Yamaha
- motorcycle
- 1981
- IT125H (IT125) 1981
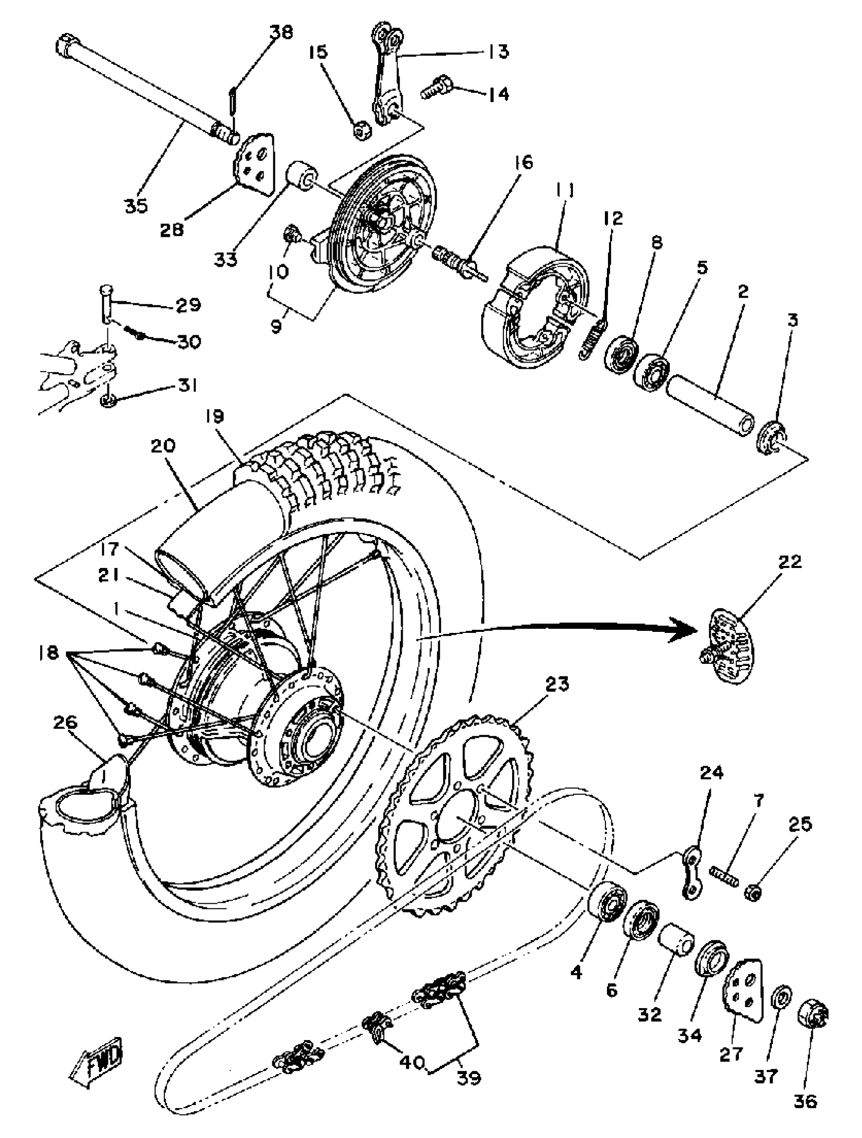
REAR WHEEL
Yamaha IT125H (IT125) 1981 REAR WHEEL Diagram
#
1
HUB, REAR
1W1-25311-00-98
Unavailable
9
BRAKE SHOE PLATE ASSEMBLY (2A6-25026-00-98)BRAKE SHOE PLAT
99999-02024-00
Unavailable
11
BRAKE SHOE SET-2PCS
183-W2536-00-00
Unavailable
12
SPRING (5T9)
90506-17328-00
Unavailable
13
LEVER, CAM SHAFT
1E2-25155-00-00
Unavailable
15
NUT, HEXAGON
95380-06600-00
Unavailable
16
CAMSHAFT
2RH-25351-00-00
Unavailable
17
RIM 1.85X18
94418-18245-00
Unavailable
18
SPOKE SET, REAR
537-25304-01-00
Unavailable
19
410-18 4PR M22
(94141-18649-00)
Unavailable
20
TUBE (3R9)
94241-18153-00
Unavailable
21
BAND, RIM (2J4)
94340-18086-00
Unavailable
22
SPACER, BEAD
2X3-25394-00-00
Unavailable
23
SPROCKET, DRIVN 44T
(3R9-25444-10-33)
Unavailable
23
SPROCKET, DRIVN 46T
3R9-25446-10-00
Unavailable
23
SPROCKET, DRIVN 48T
3R9-25448-10-00
Unavailable
24
WASHER, SPECIAL.
1G8-25412-00-00
Unavailable
25
NUT, FLANGE(3BM)
95704-10500-00
Unavailable
26
SPACER, BEAD
2X3-25394-00-00
Unavailable
27
PULLER, CHAIN (L.H)
1W2-25388-01-00
Unavailable
28
PULLER, CHAIN (R.H)
1W2-25389-01-00
Unavailable
29
PIN, CLEVIS (1M1)
91701-06042-00
Unavailable
30
PIN, COTTER
91490-20025-00
Unavailable
31
WASHER, PLAIN (646)
92990-06600-00
Unavailable
32
COLLAR
90387-15524-00
Unavailable
33
COLLAR
90387-15524-00
Unavailable
34
COVER, DUST
401-25367-00-00
Unavailable
35
AXLE, WHEEL
5X3-25381-00-00
Unavailable
36
NUT, CASTLE(2UJ)
90171-14056-00
Unavailable
37
WASHER (525)
90201-15238-00
Unavailable
38
PIN, COTTER
91490-30030-00
Unavailable
39
520D5-100L DID (94515-20100)
9Y585-20099-00
Unavailable
40
JOINT, CHAIN
94681-68001-00
Unavailable
