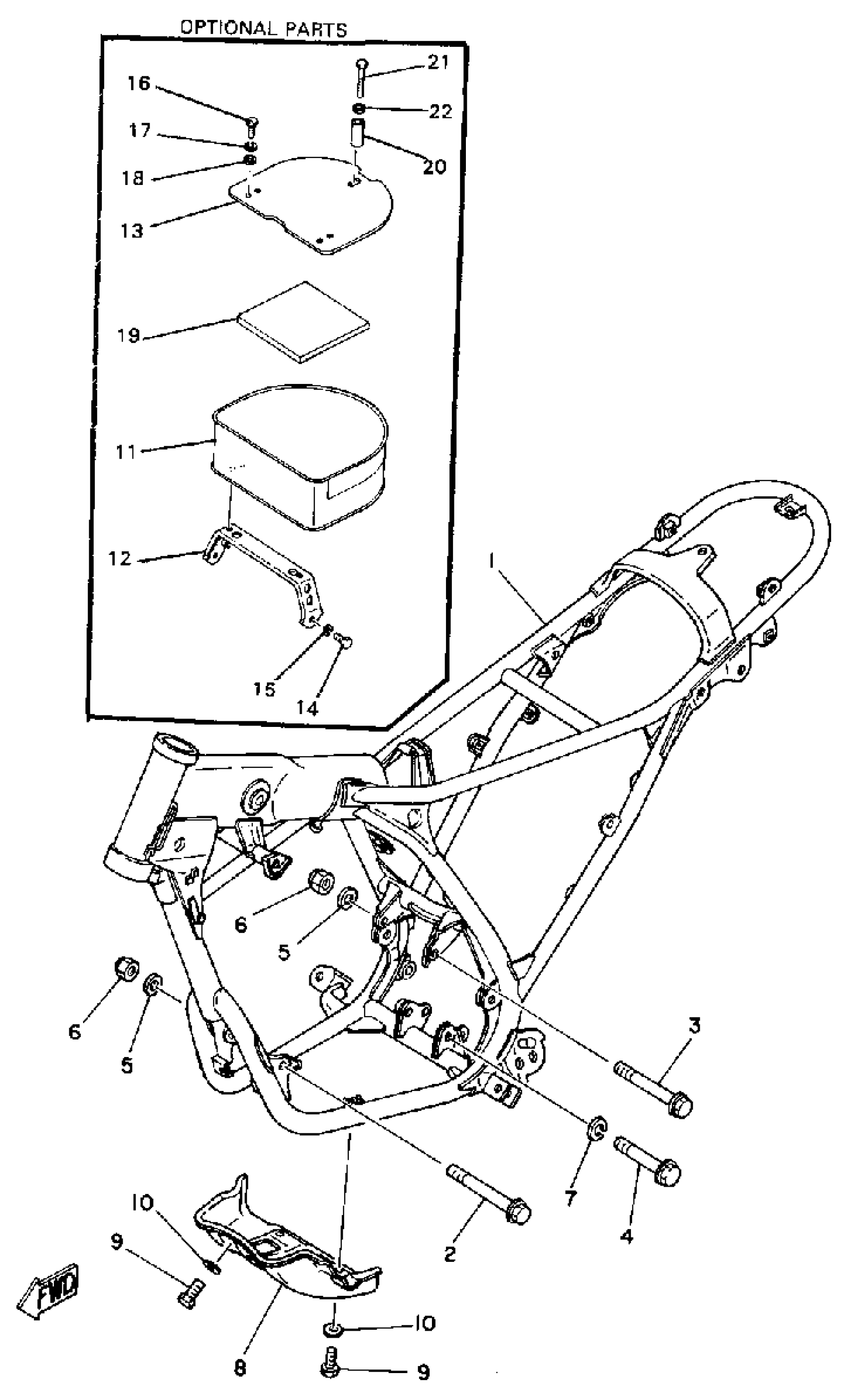
Yamaha IT125G (IT125) 1980 FRAME Diagram
#
Description
Price
1
FRAME
(3R9-21110-02-33)
Unavailable
4
BOLT
90105-10037-00
Unavailable
5
WASHER, PLAIN
92990-08200-00
Unavailable
8
PROTECTOR, ENGINE
(3R9-21471-00-35)
Unavailable
11
CARRIER BOX ASSEMBLY
1W2-24850-01-00
Unavailable
12
BRACKET, CARRIER 1
(1W2-24832-00-00)
Unavailable
13
BRACKET, CARRIER 2
1W2-24833-01-00
Unavailable
15
WASHER, SPRING
92995-06100-00
Unavailable
16
BOLT, HEXAGON
97017-06020-00
Unavailable
17
WASHER, SPRING
92995-06100-00
Unavailable
18
WASHER, PLATE
90201-06380-00
Unavailable
19
DAMPER
(1W2-24854-00-00)
Unavailable
20
COLLAR
90387-06158-00
Unavailable
21
BOLT, HEXAGON
97013-06045-00
Unavailable
22
WASHER, PLATE
90201-06380-00
Unavailable
