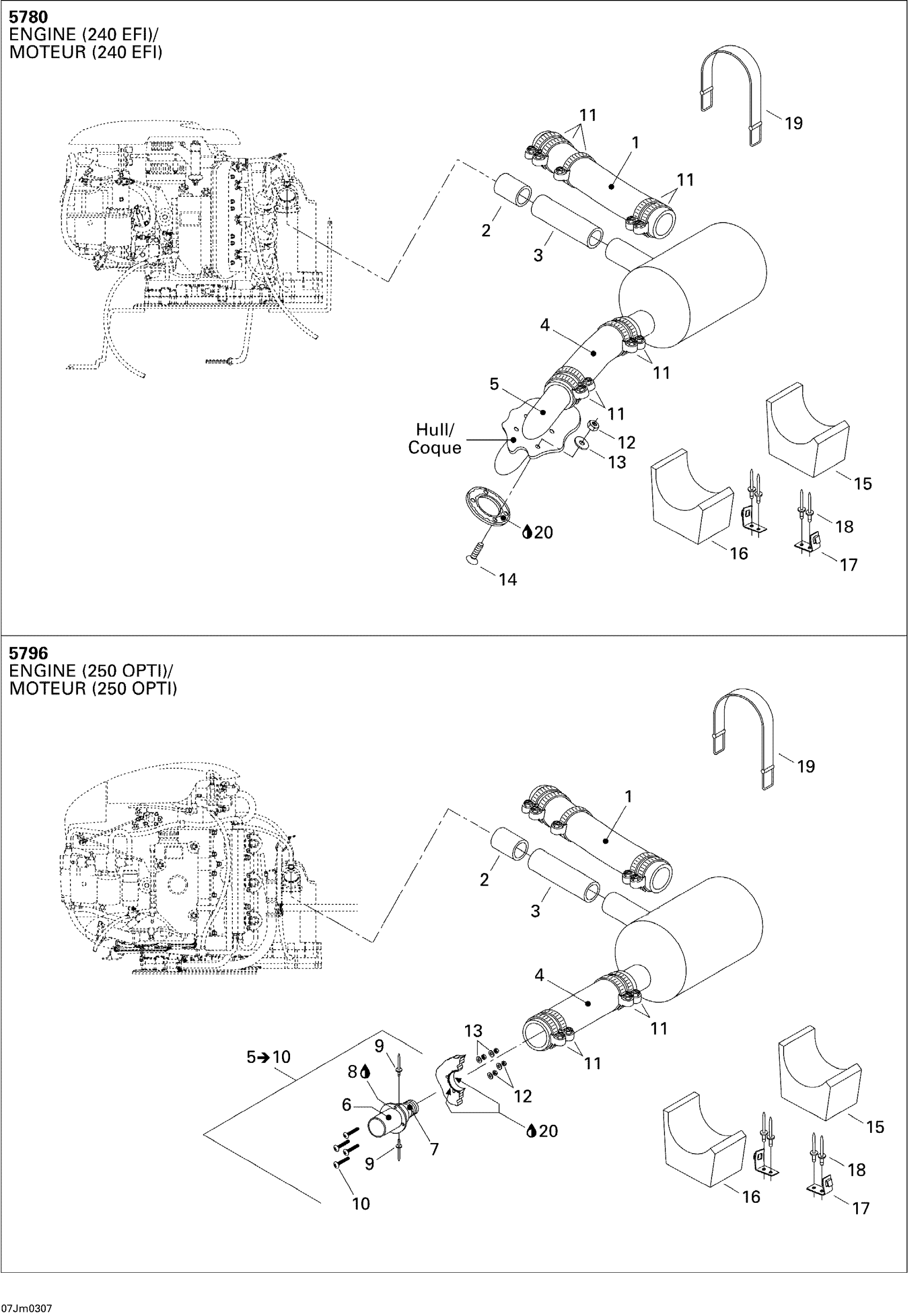
Sea-doo Islandia, 250 OPTI, 240 EFI, 2003 Exhaust System Diagram
#
Description
Price
1
EXHAUST HOSE - Call your local BRP dealership | Islandia 5780
204340316
Unavailable
Exhaust Hose, Meter
204340256
Unavailable
3
EXHAUST ADAPTER - Call your local BRP dealership
204340401
Unavailable
4
Exhaust Hose | Islandia 5780
204340241
Unavailable
Exhaust Hose, Meter
204340256
Unavailable
5
Exhaust Outlet Ass’Y | Includes 7 to 10
204340322
Unavailable
6
Not Available As Spare Part - Friction Washer
Unavailable
7
Exhaust Outlet
204340229
Unavailable
8
Not Available As Spare Part - Friction Washer
Unavailable
9
Pop Rivet 3/16” | CHALLENGER 1800 (5775).
204150043
Unavailable
10
PHILLIPS SCREW M6 X 35 - Call your local BRP dealership
208663560
Unavailable
15
Front Muffler Support
204340243
Unavailable
16
Muffler Support, Rear | Islandia 5780
204340244
Unavailable
Rear Muffler Support
204340409
Unavailable
17
Strap Clip 90°
204060017
Unavailable
19
STRAP - Call your local BRP dealership
293850022
Unavailable
